- ポイント
- 1.高感度・高解像度なモノクロ冷却CCDカメラを搭載
- 2.高解像度の6穴電動レンズレボルバ搭載
- 3.高速オートフォーカスで常にピントがあう
- 4.褪色軽減モードで細胞へのダメージを軽減

ラットの脊髄
ご提供/愛媛大学大学院医学系研究科 麻酔・周術期学教室 西原佑 講師


チューブリンとγH2AX
ご提供/東北大学 歯学研究科 小児発達歯科学分野 石河桃子 研究員
- ポイント
- 1.独自の光学セクショニング技術でクリアな画像を取得
- 2.蛍光ボケのない高精細な画像が撮影できる
- ポイント
- 1.培養細胞が鮮明に見える
- 2.ワンクリックで瞬時に位相差に切り替えられる

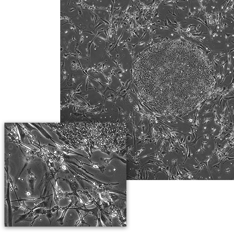
フィーダー細胞を用いたiPS細胞培養
-
撮影範囲を指定
-
自動で一括撮影
-
同一条件で一括解析
- ポイント
- 1.撮影開始までの時間を極限まで簡略化
- 2.どんなに画像が多くてもばらつきのない正確な定量化が可能
- 3.クリアな画像が高精度な定量化を実現
- ポイント
- 1.温度・CO2制御チャンバーで細胞の活性を維持
- 2.タイムラプス撮影で継時変化を数値化できる
- 3.細胞をトラッキングして見逃さない

- ポイント
- 1.独自開発のアルゴリズムで高精定量化可能
- 2.その場でデータを出力して多様な解析可能
- 3.測定条件の再現により複数の画像を同条件で定量化
- ポイント
- 1.凹凸のあるサンプルでも形状、局在を正確に数値化
- 2.三次元的に分布するシグナルを一度に定量化
精子の運動能解析
- ポイント
- 1.継時的な動きを数値化
- 2.セルカウント機能と組み合わせることで、輝度や面積の継時変化も正確に定量化できる
そのほかの拡張機能や撮影事例など、
詳細はカタログをご覧ください。

























