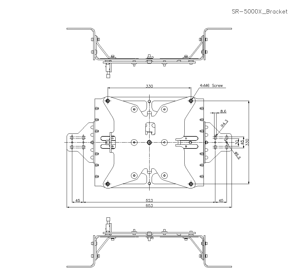
外形寸法図

  • 文字が読みにくい場合は、CADもしくはマニュアルをご確認ください。
SR-5000X/BRACKET Dimension
SR-5000X/BRACKET Dimension
SR-5000X Dimension
SR-5000X Dimension