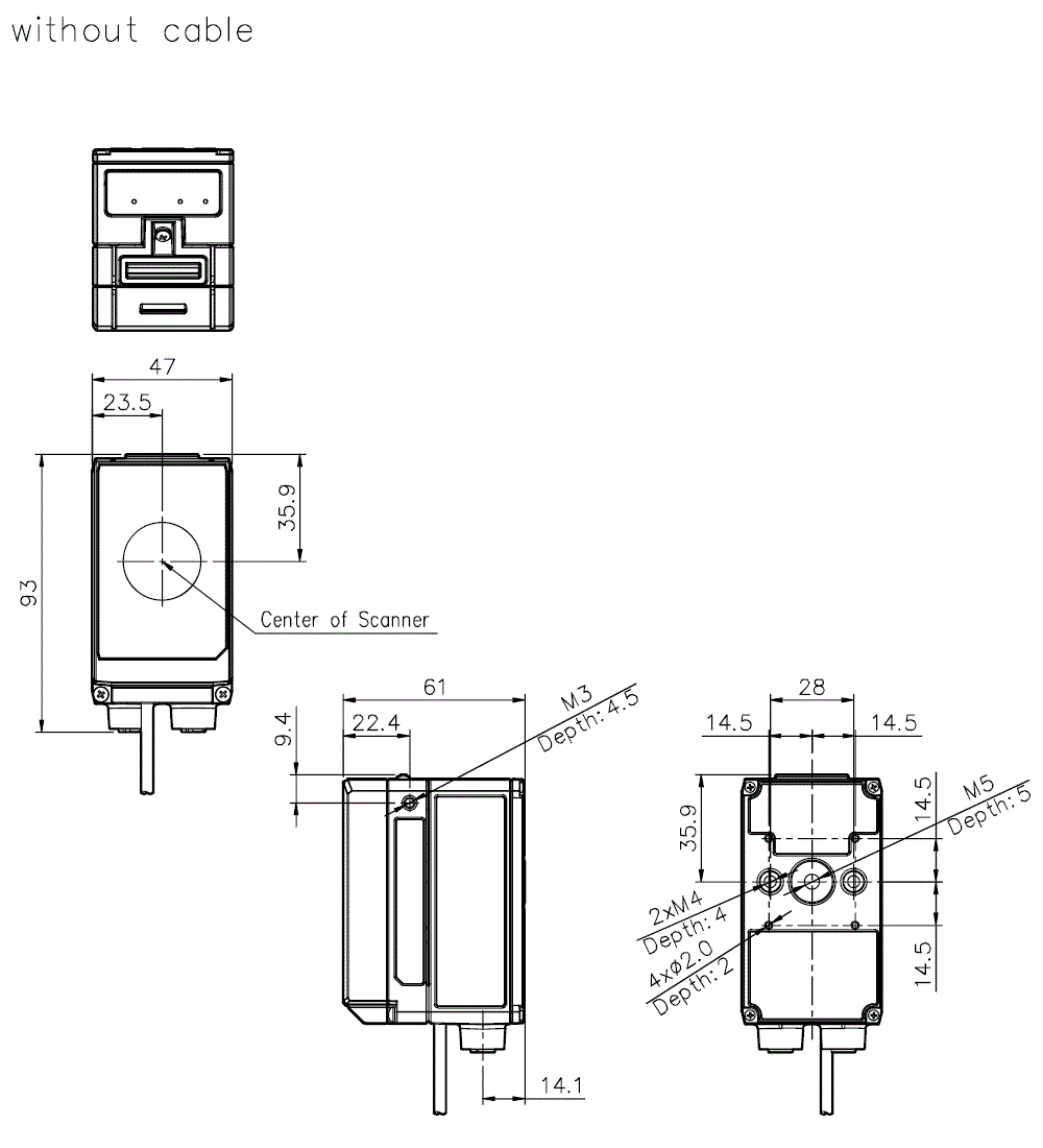
外形寸法図

  • 文字が読みにくい場合は、CADもしくはマニュアルをご確認ください。
SR-L200-DP Dimension
SR-L200-DP Dimension
SR-L200-DP_OP-89094
SR-L200-DP_OP-89095 Dimension
SR-L200-DP_OP-89095 Dimension
SR-L200-DP_SR-L2AP Dimension
SR-L200-DP_SR-L2AP Dimension