外形寸法図

  • 文字が読みにくい場合は、CADもしくはマニュアルをご確認ください。
OP-87176/OP-87177 Dimension
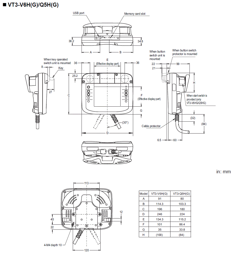
VT3-V6H(G)/Q5H(G) Dimension
VT3-Q5X(W)X Dimension