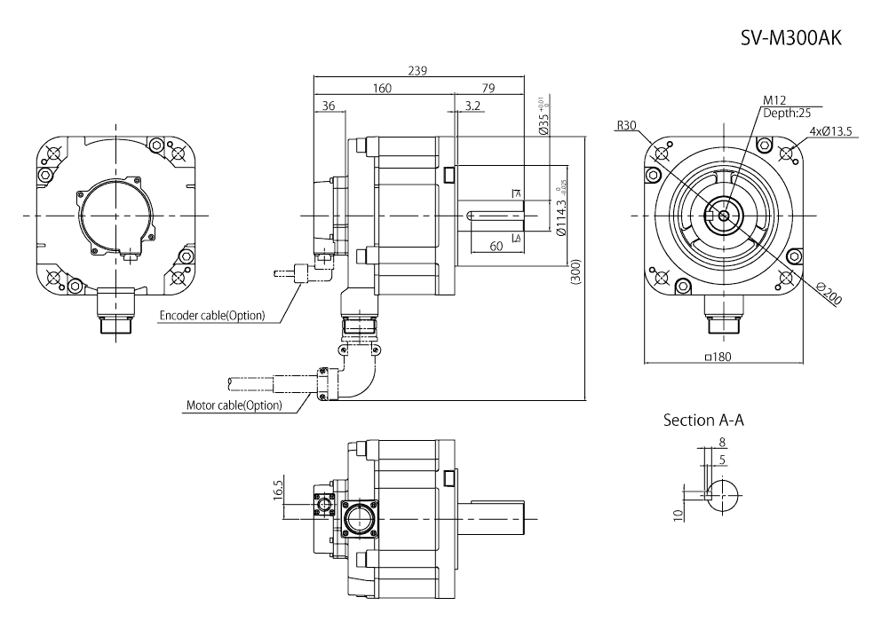
外形寸法図

  • 文字が読みにくい場合は、CADもしくはマニュアルをご確認ください。
SV-M100/M150/M200/M300/M500 Dimension
SV-M300AK Dimension