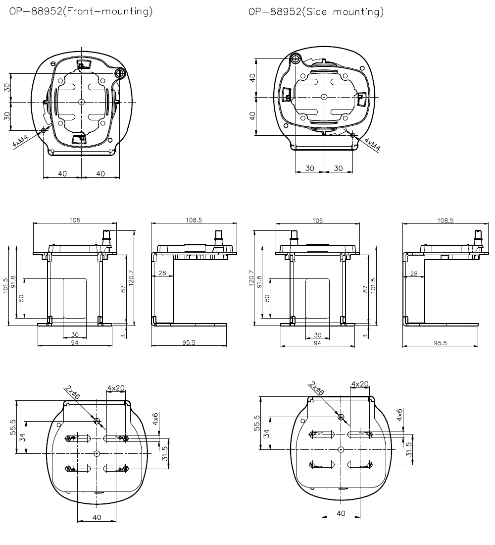
外形寸法図

  • 文字が読みにくい場合は、CADもしくはマニュアルをご確認ください。
OP-88952 Dimension
OP-88952 Dimension