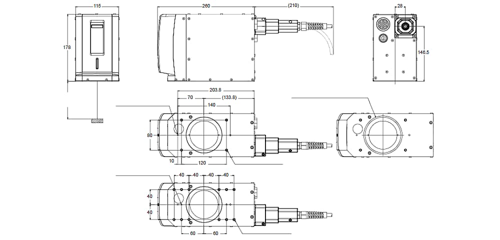
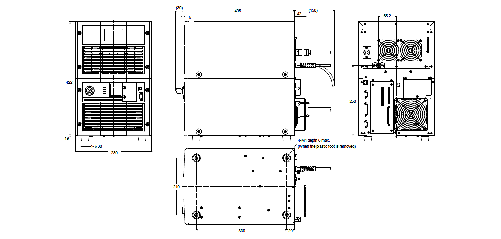
外形寸法図

  • 文字が読みにくい場合は、CADもしくはマニュアルをご確認ください。
MDF3200-5200 Dimension
MDF3200-5200 Dimension