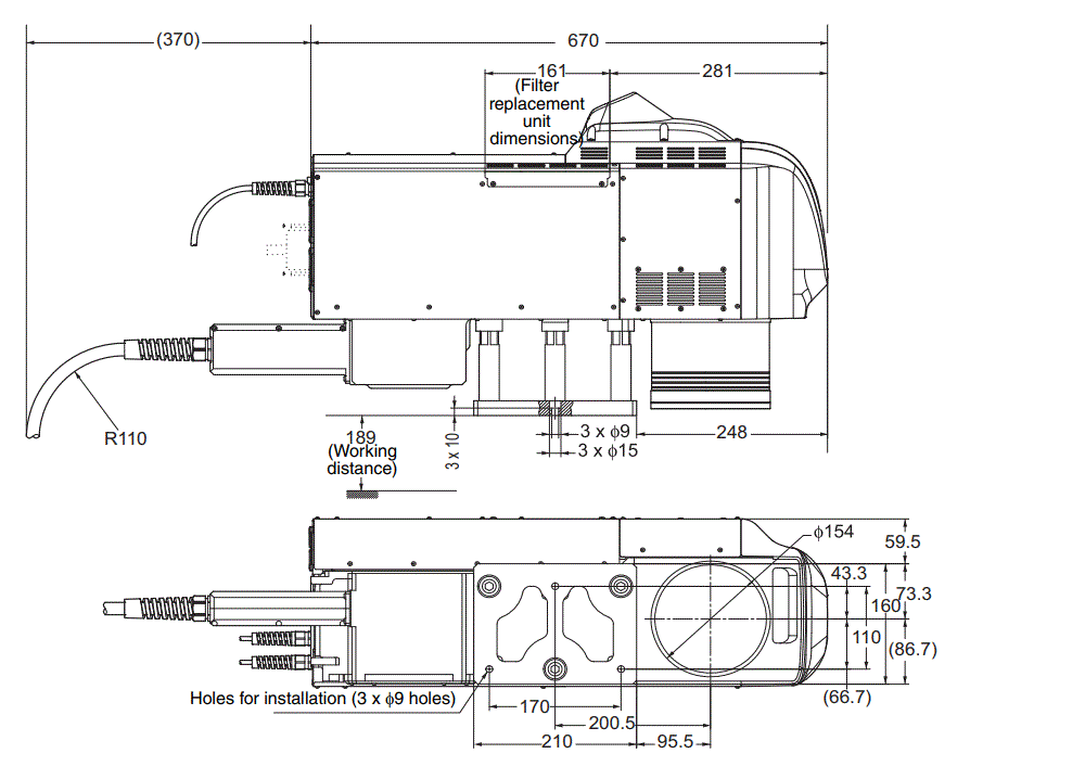
外形寸法図

  • 文字が読みにくい場合は、CADもしくはマニュアルをご確認ください。
MD-T1010W Dimension 02
MD-T1010W Dimension 01