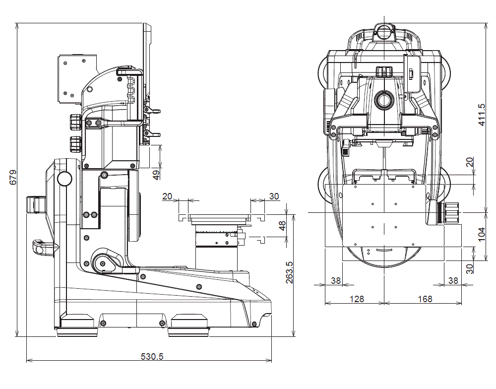
外形寸法図

  • 文字が読みにくい場合は、CADもしくはマニュアルをご確認ください。
VHX-S700 Dimension
VHX-S700 Dimension02