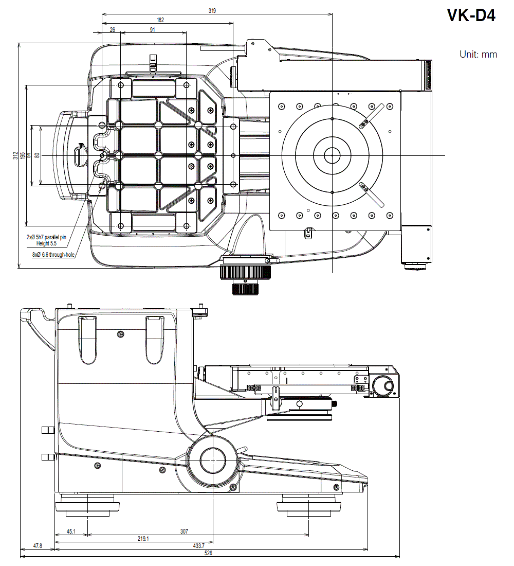
外形寸法図

  • 文字が読みにくい場合は、CADもしくはマニュアルをご確認ください。
VK-D4 Dimension 01
VK-D4 Dimension 02