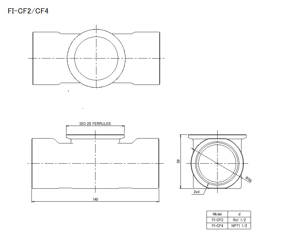
外形寸法図

  • 文字が読みにくい場合は、CADもしくはマニュアルをご確認ください。
FI-CF2/CF4 Dimension
FI-CF2/CF4 Dimension