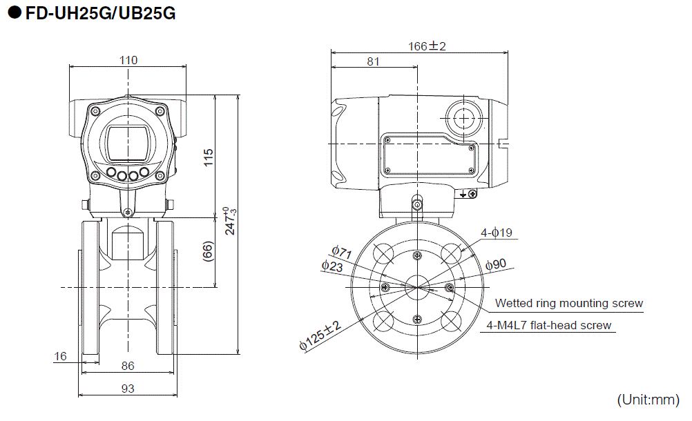
外形寸法図

  • 文字が読みにくい場合は、CADもしくはマニュアルをご確認ください。
FD-UH25G/UB25G Dimension
OP-84433 Dimension
OP-86950 Dimension