外形寸法図

  • 文字が読みにくい場合は、CADもしくはマニュアルをご確認ください。
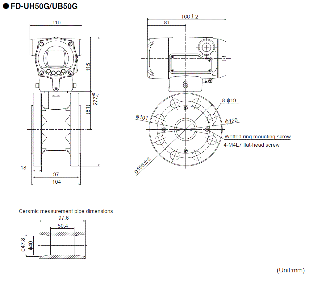
FD-UH50G/UB50G Dimension
OP-84433 Dimension
OP-86950 Dimension