外形寸法図

  • 文字が読みにくい場合は、CADもしくはマニュアルをご確認ください。
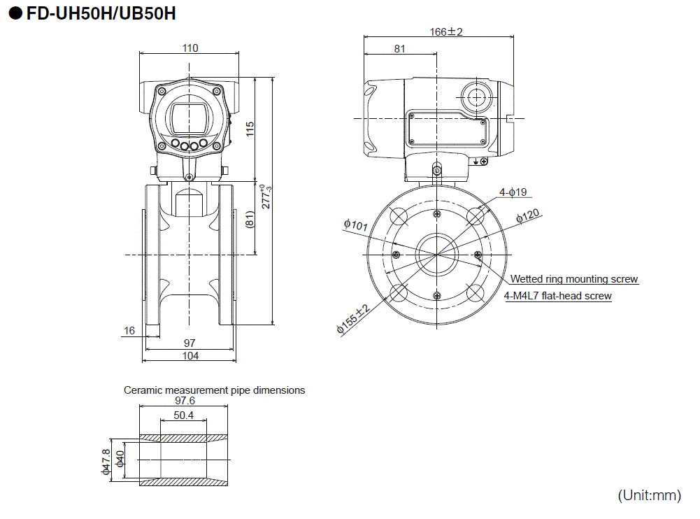
FD-UH50H/UB50H Dimension
OP-84433 Dimension
OP-86950 Dimension