外形寸法図

  • 文字が読みにくい場合は、CADもしくはマニュアルをご確認ください。
FD-US100 Dimension
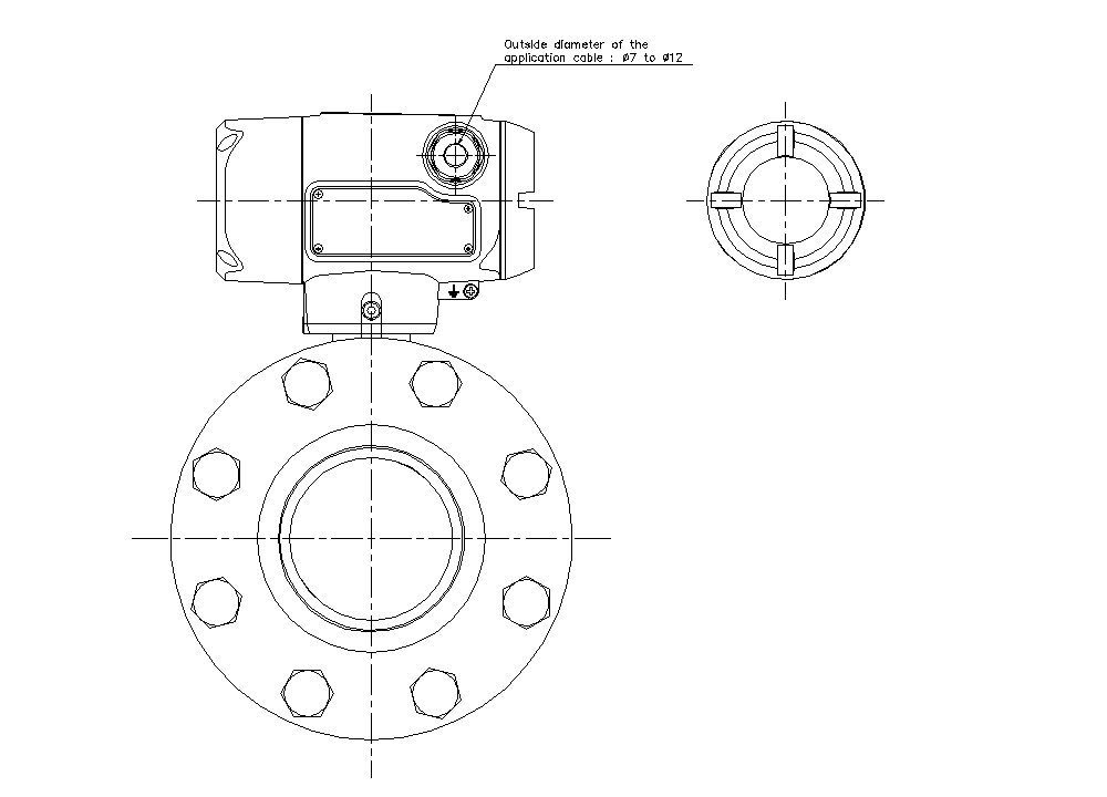
FD-US100_02 Dimension
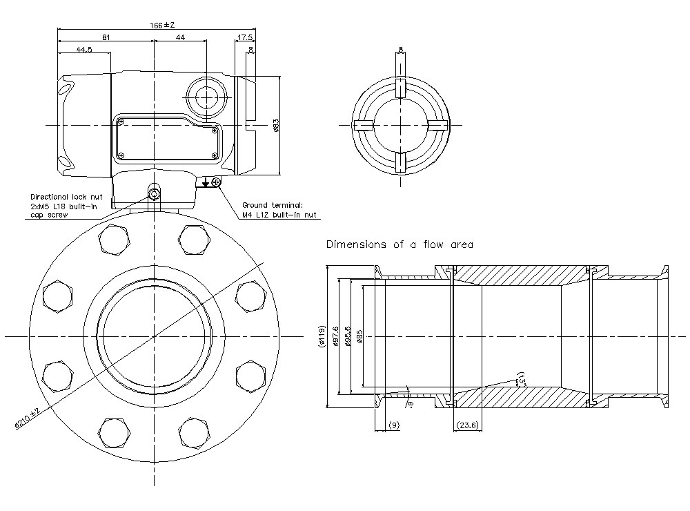
FD-US100_03 Dimension
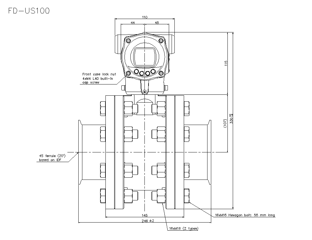
FD-US100_04 Dimension