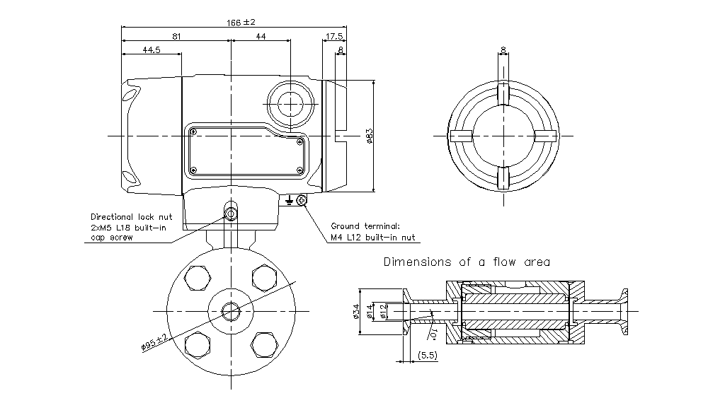
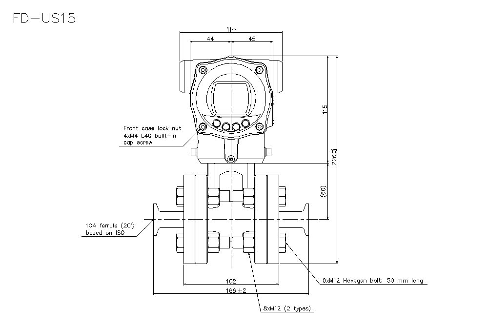
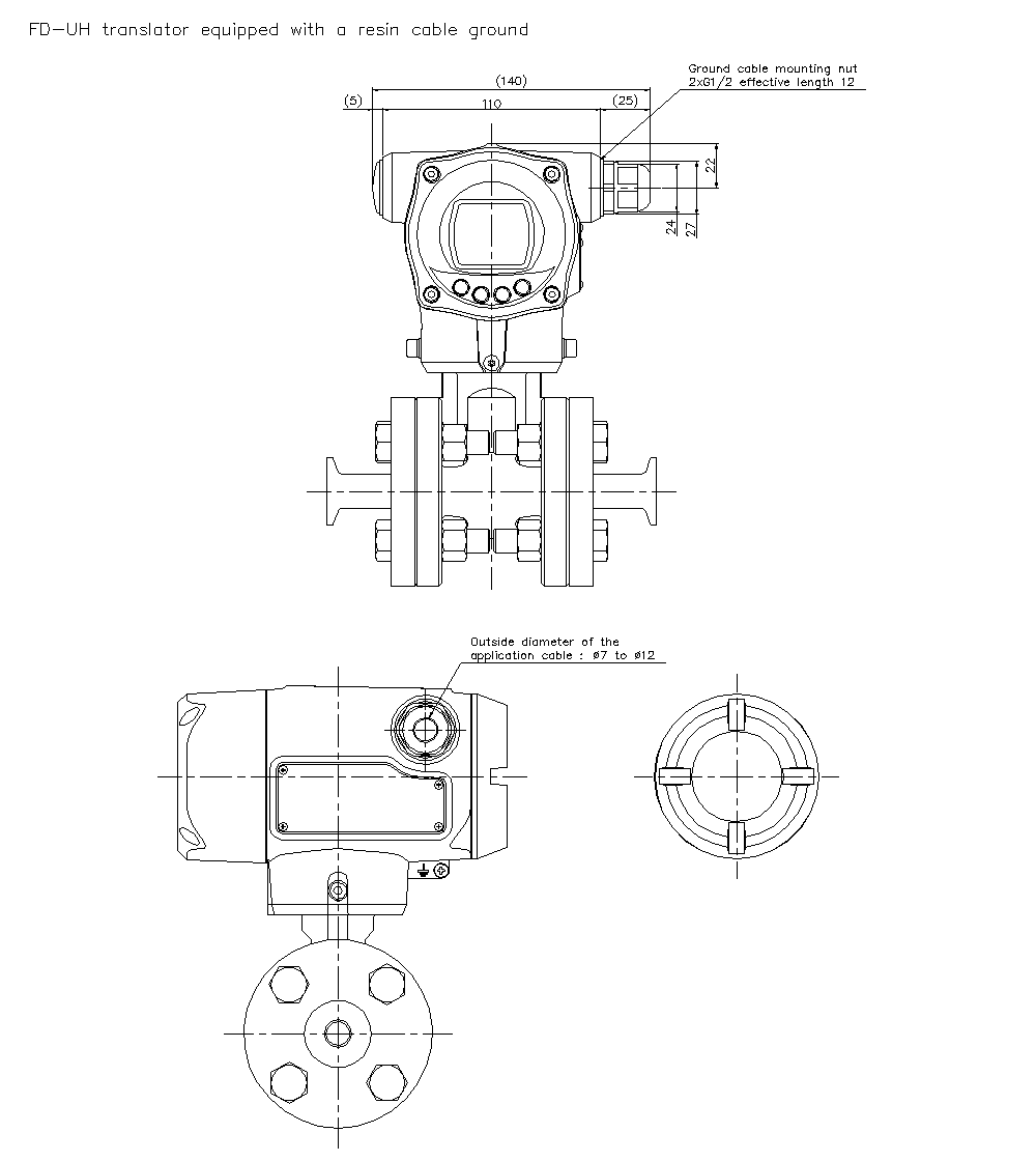
外形寸法図

  • 文字が読みにくい場合は、CADもしくはマニュアルをご確認ください。
FD-US15 Dimension
FD-US15_02 Dimension
FD-US15_03 Dimension