外形寸法図

  • 文字が読みにくい場合は、CADもしくはマニュアルをご確認ください。
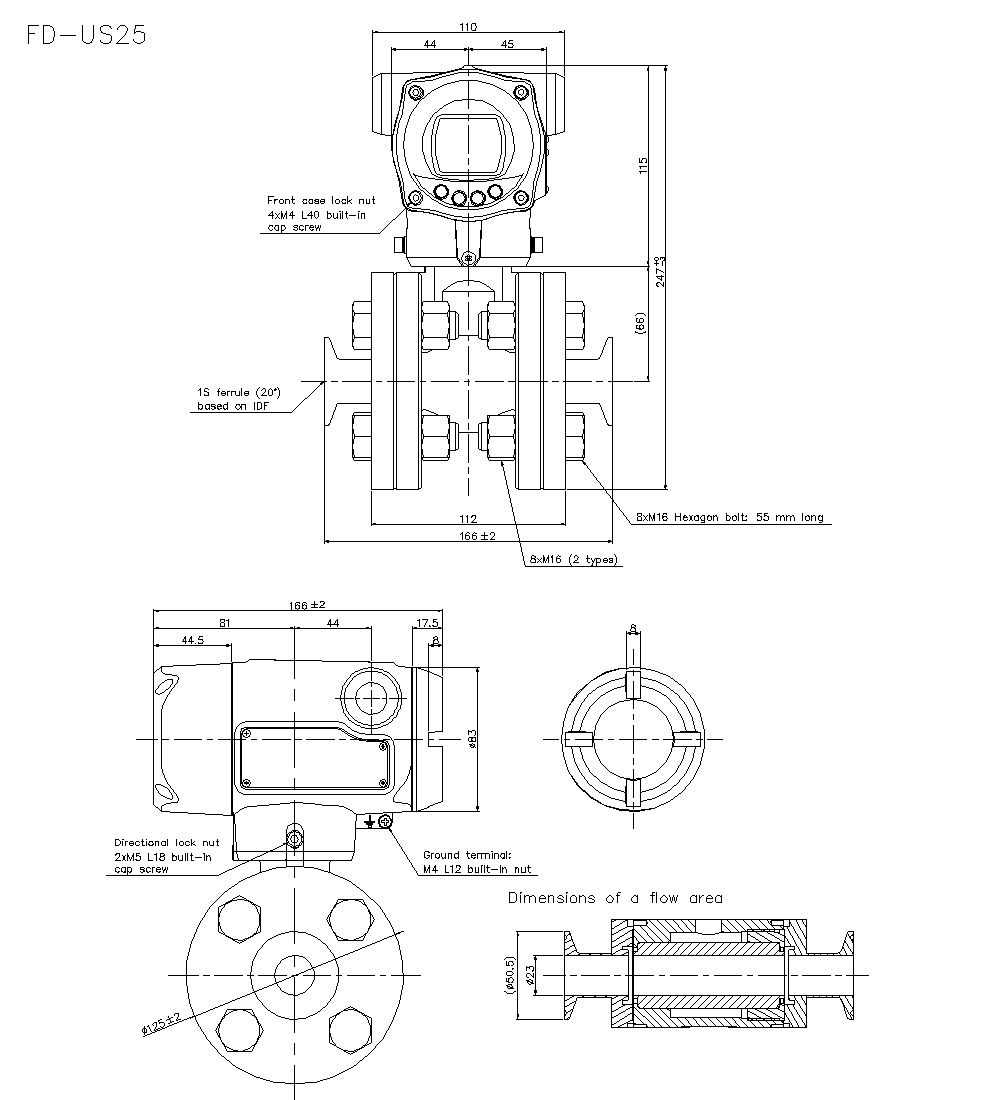
FD-US25 Dimension
FD-US25_02 Dimension