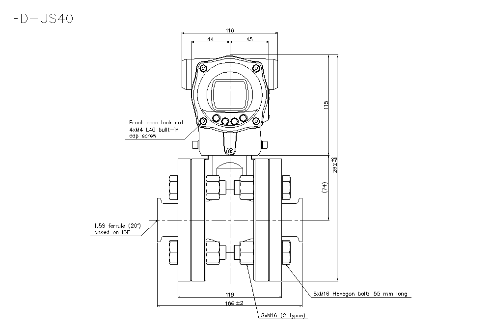
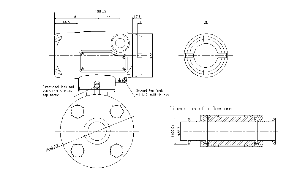
外形寸法図

  • 文字が読みにくい場合は、CADもしくはマニュアルをご確認ください。
FD-US40 Dimension
FD-US40_02 Dimension
FD-US40_03 Dimension