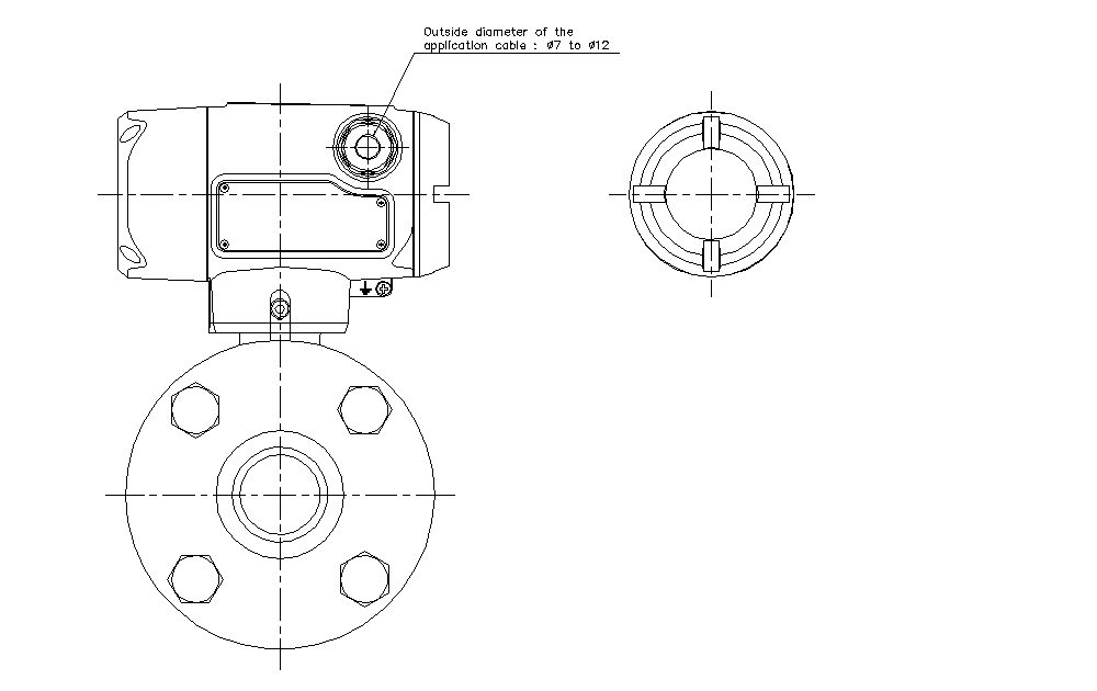
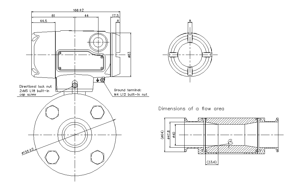
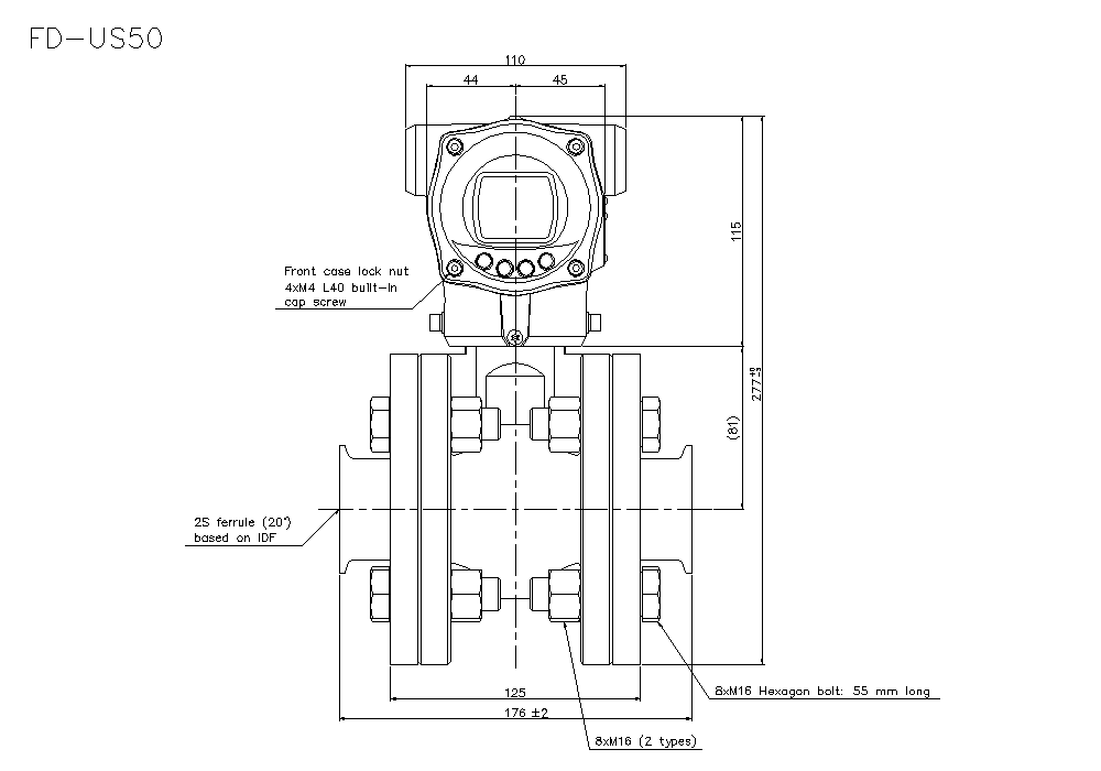
外形寸法図

  • 文字が読みにくい場合は、CADもしくはマニュアルをご確認ください。
FD-US50 Dimension
FD-US50_02 Dimension
FD-US50_03 Dimension
FD-US50_04 Dimension