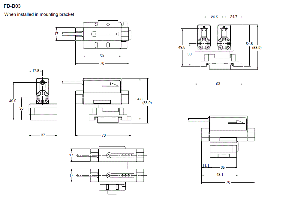
外形寸法図

  • 文字が読みにくい場合は、CADもしくはマニュアルをご確認ください。
FD-B03_01 Dimension
FD-B03_02 Dimension