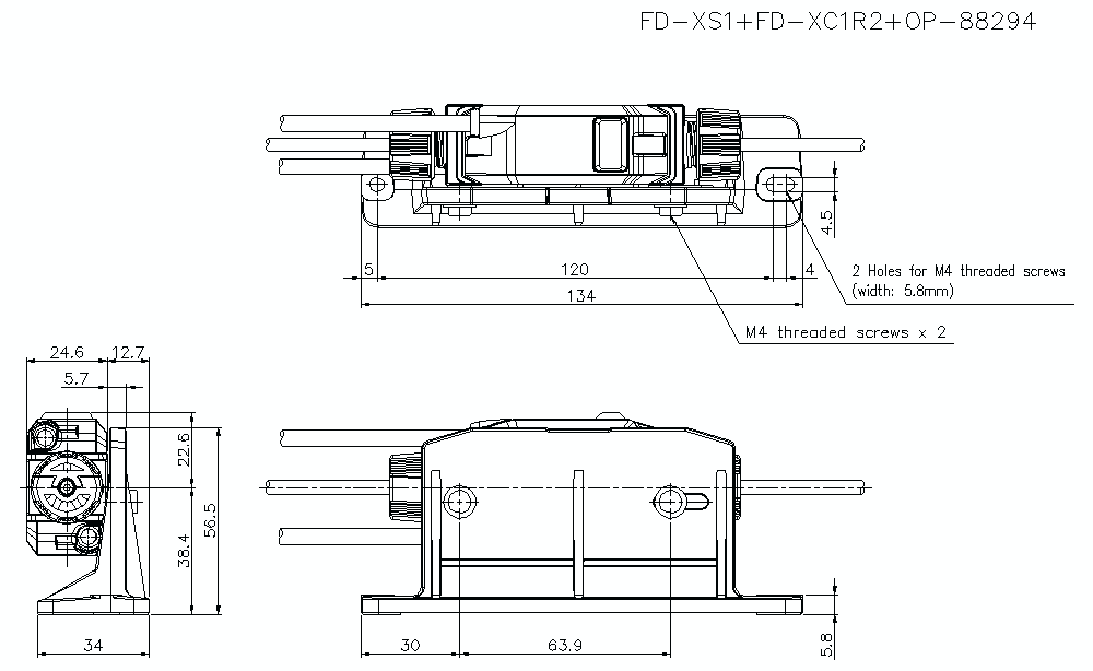
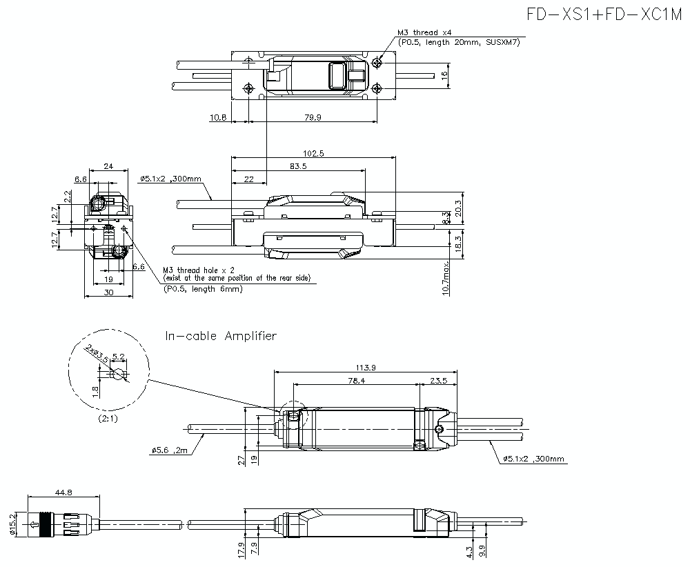
外形寸法図

  • 文字が読みにくい場合は、CADもしくはマニュアルをご確認ください。
FD-XS1/FD-XC1M Dimension
FD-XS1/FD-XC1R1 Dimension
FD-XS1/FD-XC1R2 Dimension
FD-XS1/FD-XC1M/OP-88297 Dimension
FD-XS1/FD-XC1R1/OP-88294 Dimension
FD-XS1/FD-XC1R2/OP-88294 Dimension