外形寸法図

  • 文字が読みにくい場合は、CADもしくはマニュアルをご確認ください。
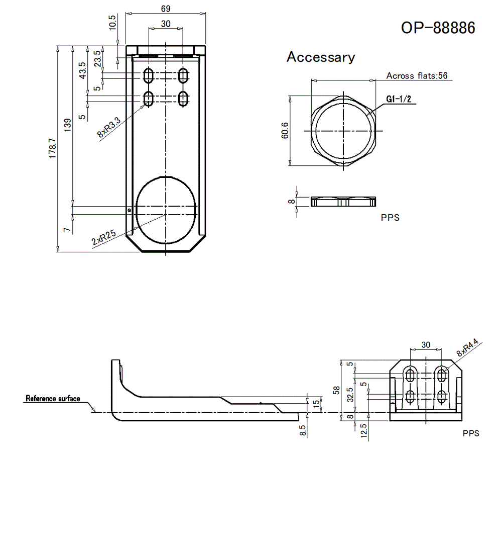
OP-88886 Dimension
OP-88886 Dimension