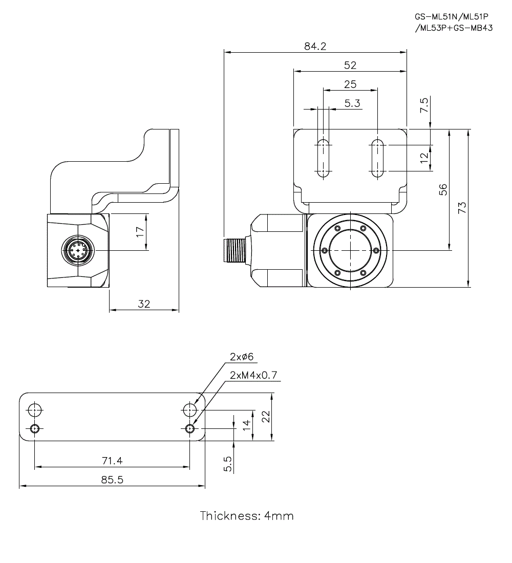
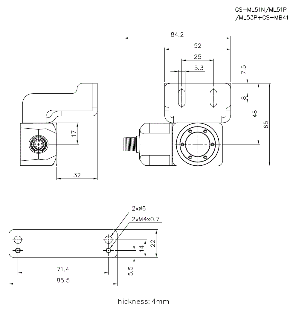
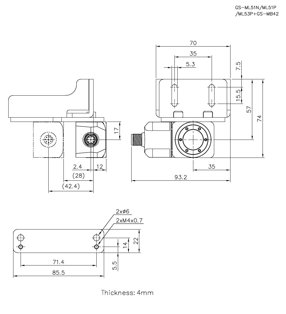
外形寸法図

  • 文字が読みにくい場合は、CADもしくはマニュアルをご確認ください。
GS-ML51N/ML51P/ML53P Dimension
GS-ML51N/ML51P/ML53P/MB31 Dimension
GS-ML51N/ML51P/ML53P/MB31 Dimension
GS-ML51/53/GS-MB41 Dimension
GS-ML51/53/GS-MB42 Dimension
GS-ML51/53/GS-MB43 Dimension