外形寸法図

  • 文字が読みにくい場合は、CADもしくはマニュアルをご確認ください。
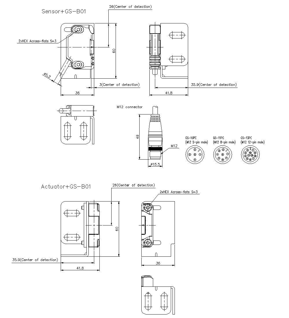
GS-1XPC Dimension
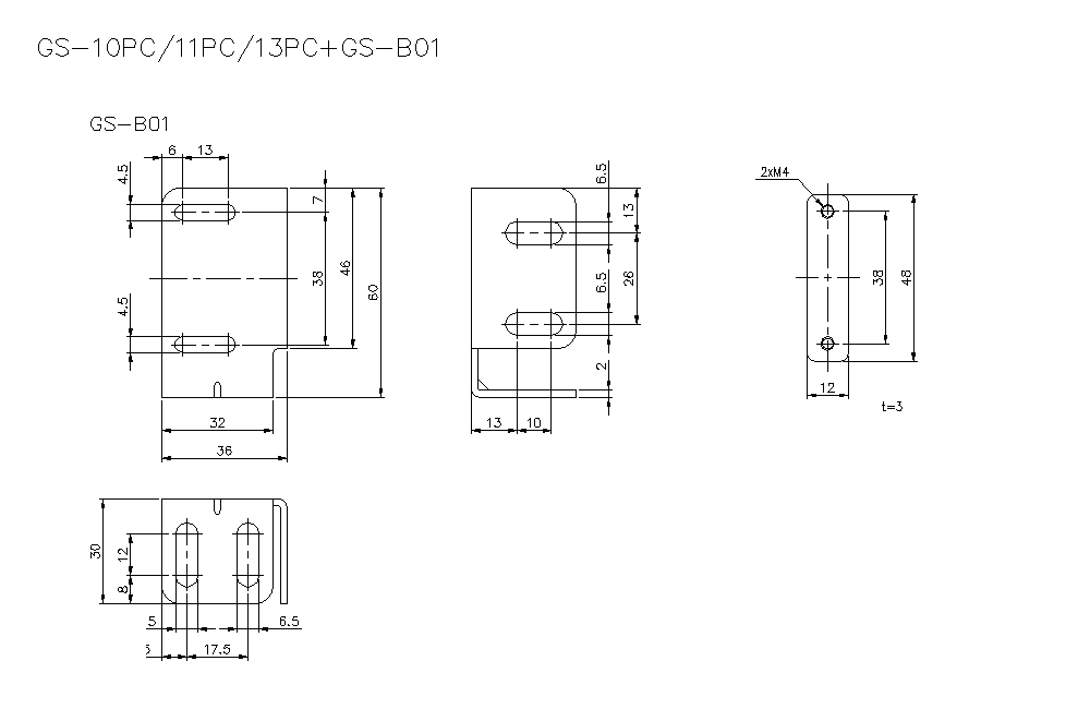
GS-1XPC/GS/B01_01 Dimension
GS-1XPC/GS/B01_02 Dimension
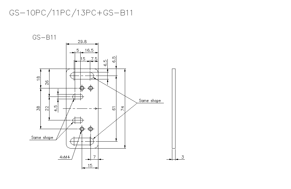
GS-1XPC/GS/B11_01 Dimension
GS-1XPC/GS/B11_02 Dimension
GS-1XPC/GS/B11_03 Dimension