外形寸法図

  • 文字が読みにくい場合は、CADもしくはマニュアルをご確認ください。
GS-1X Dimension
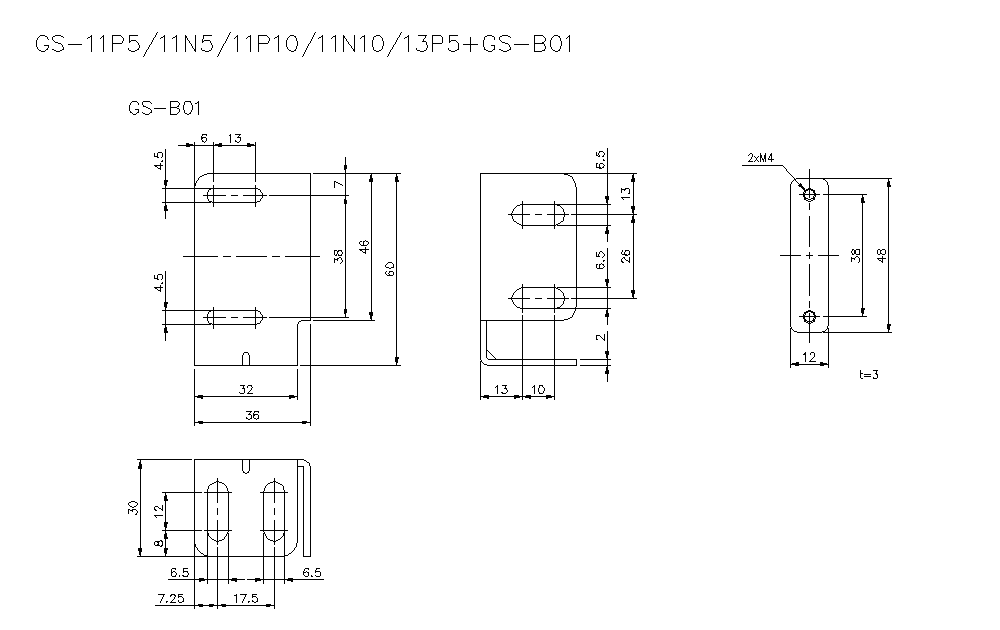
GS-1X/GS/B01_01 Dimension
GS-1X/GS/B01_02 Dimension
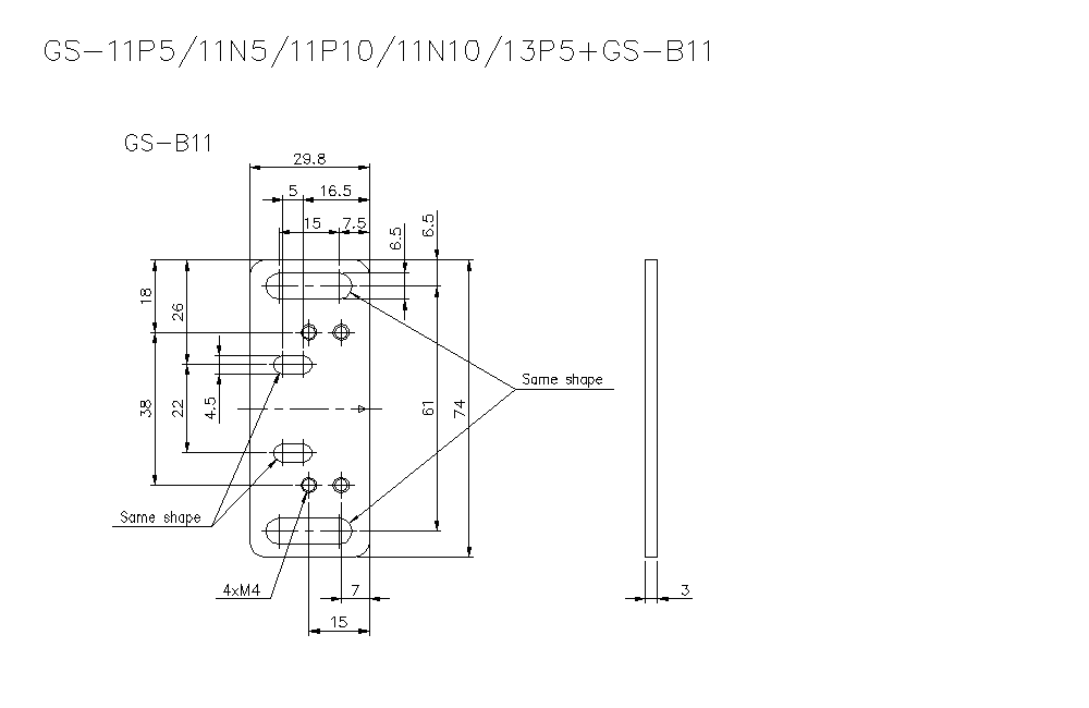
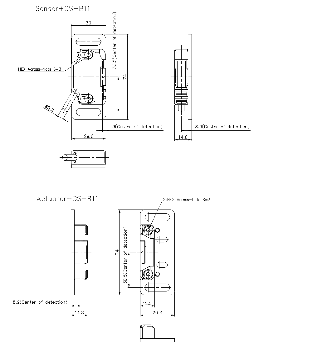
GS-1X/GS/B11_01 Dimension
GS-1X/GS/B11_02 Dimension