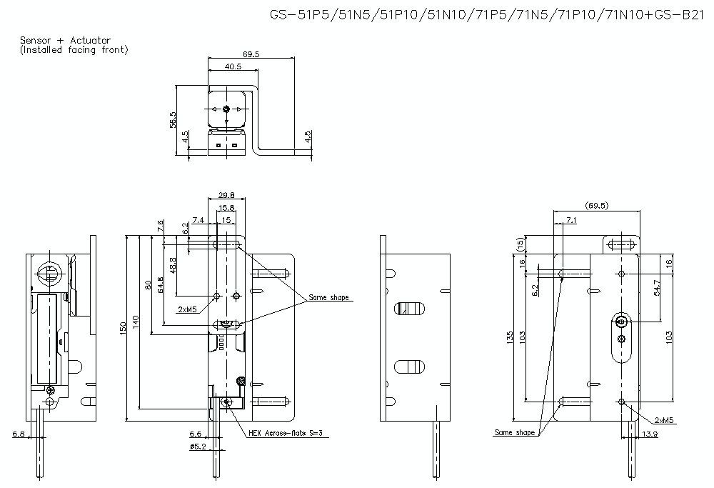
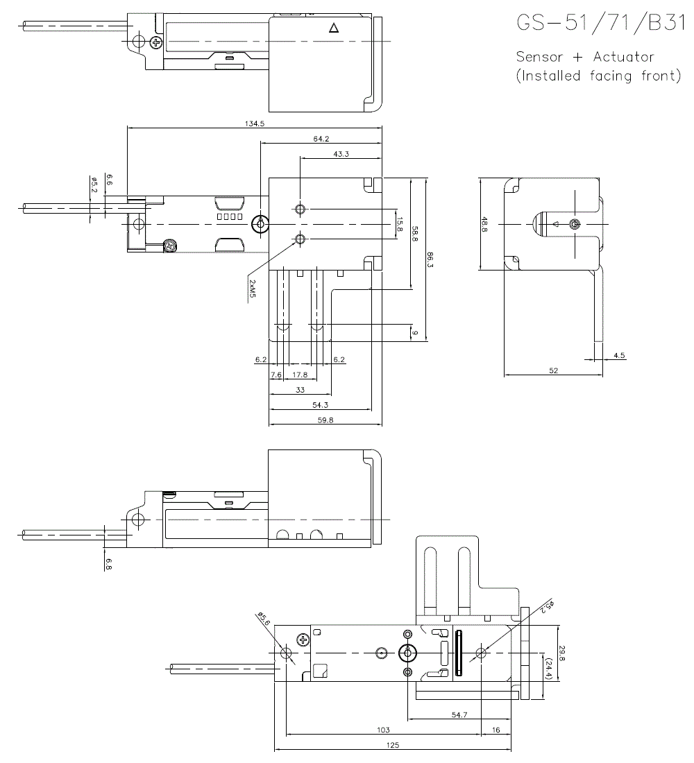
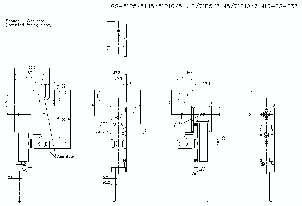
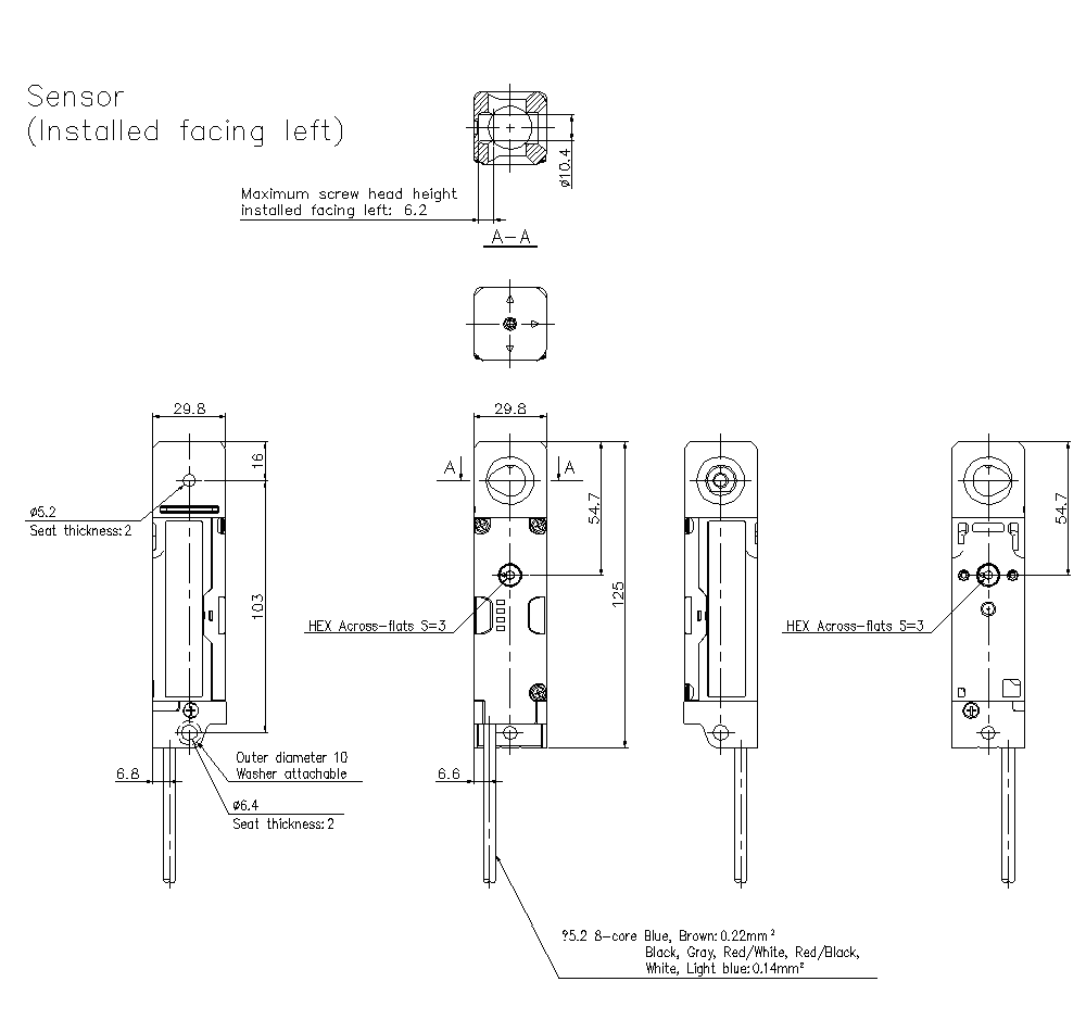
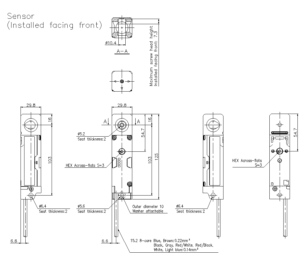
外形寸法図

  • 文字が読みにくい場合は、CADもしくはマニュアルをご確認ください。
GS-51/71/B21 Dimension
GS-51/71/B31 Dimension
GS-51/71/B33 Dimension
GS-51/71/B41 Dimension
GS-51/71/B43 Dimension
GS-51/71_01 Dimension
GS-51/71_02 Dimension
GS-51/71_03 Dimension
GS-51/71_04 Dimension
GS-51/71_05 Dimension
GS-51/71_06 Dimension
GS-51/71_07 Dimension