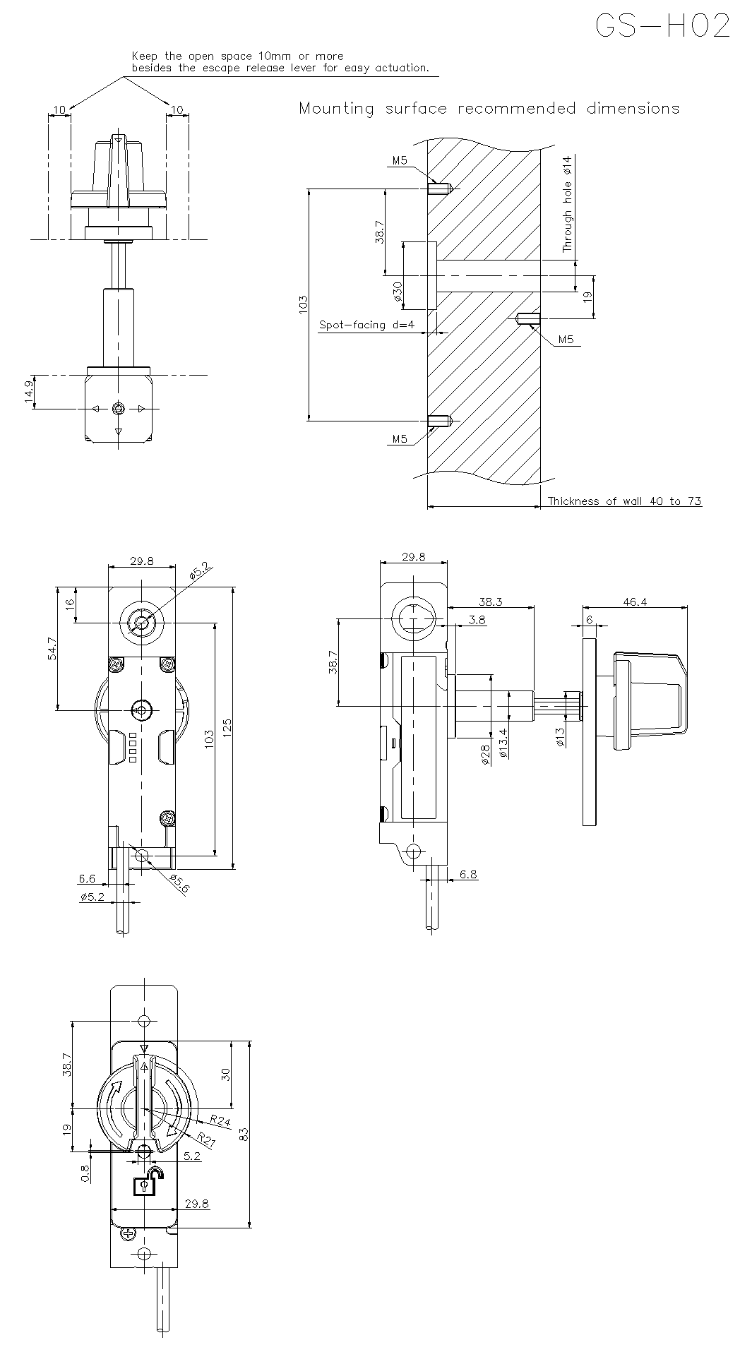
外形寸法図

  • 文字が読みにくい場合は、CADもしくはマニュアルをご確認ください。
GS-H01+GS-H02_L Dimension
GS-H01+GS-H02_R Dimension
GS-H02 Dimension