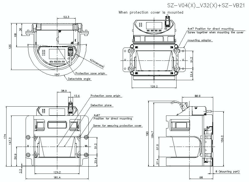
外形寸法図

  • 文字が読みにくい場合は、CADもしくはマニュアルをご確認ください。
SZ-V04/X/V32/X Dimension
SZV04-V32/X/VB21 Dimension