外形寸法図

  • 文字が読みにくい場合は、CADもしくはマニュアルをご確認ください。
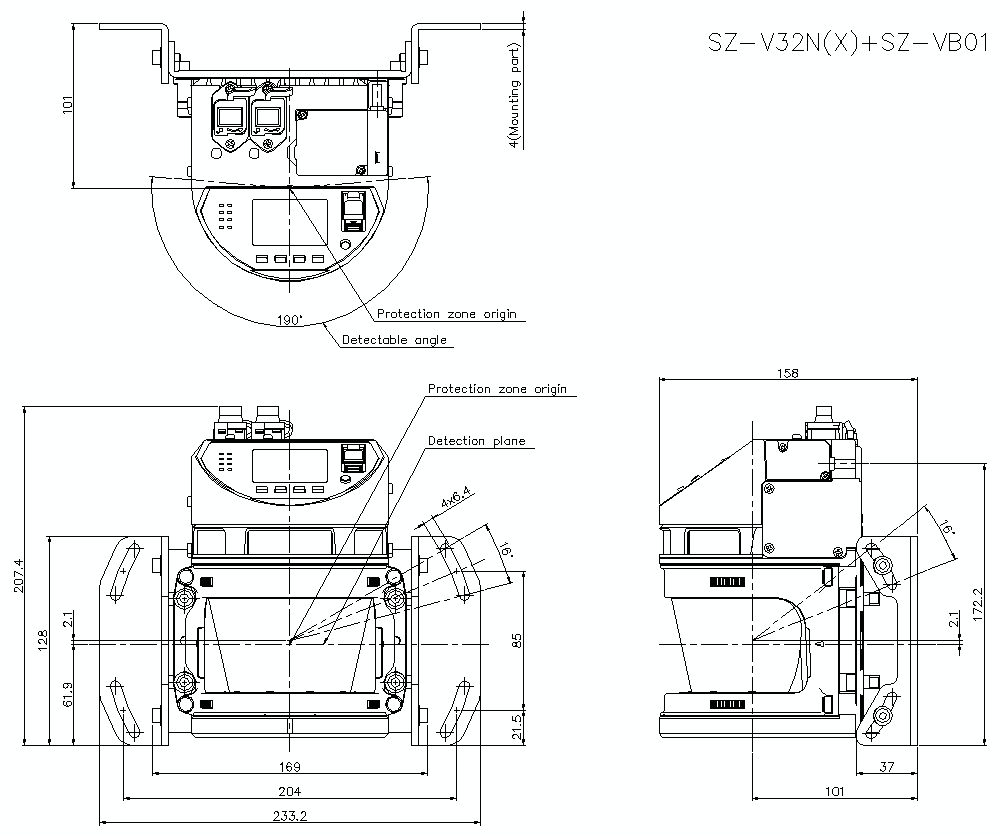
SZ-V32N/X/VB01 Dimension
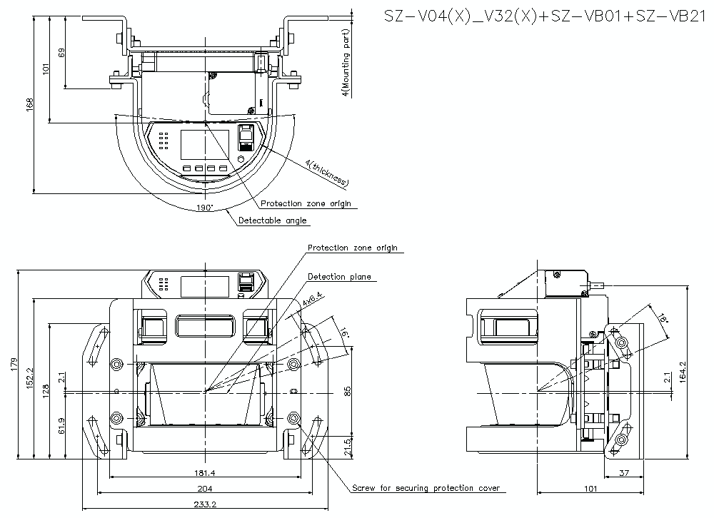
SZV04-32/B01/B21 Dimension
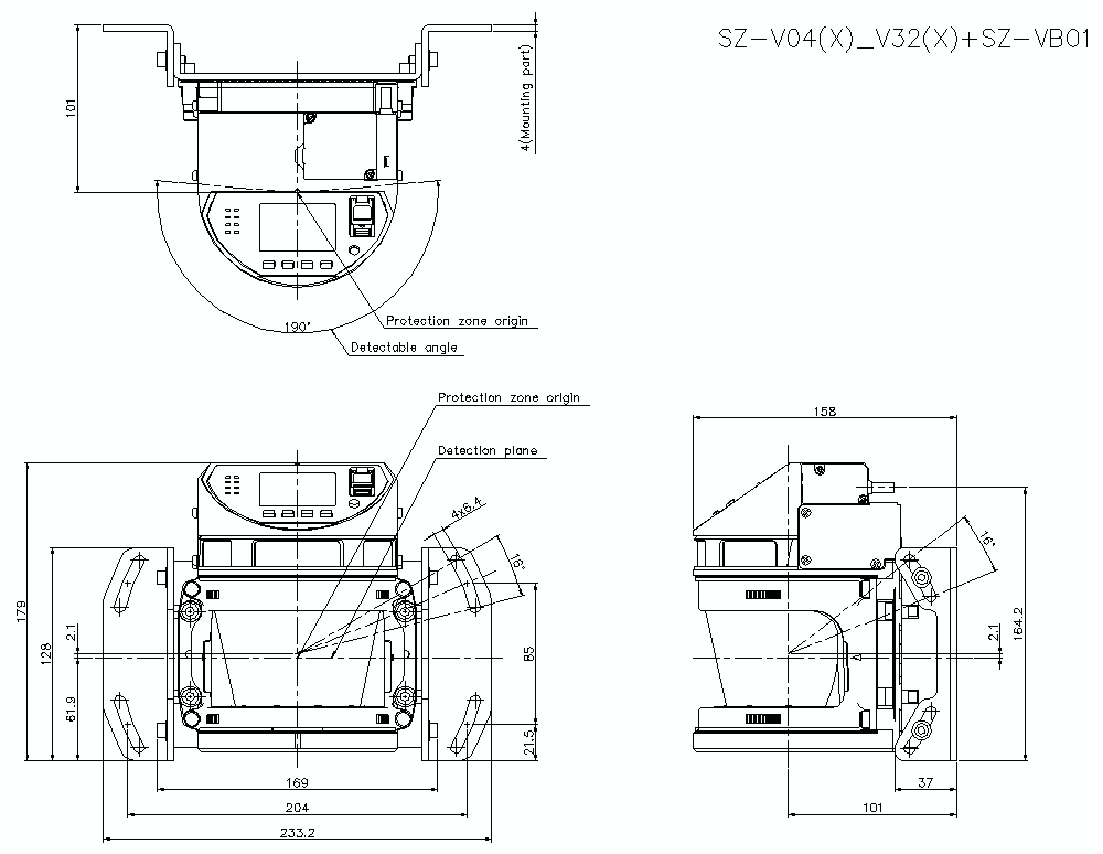
SZV04-V32/X/VB01 Dimension
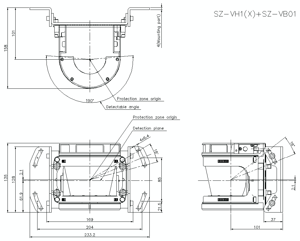
SZVH1-VH1X/VB01 Dimension
SZVH1-X/VB01/21 Dimension