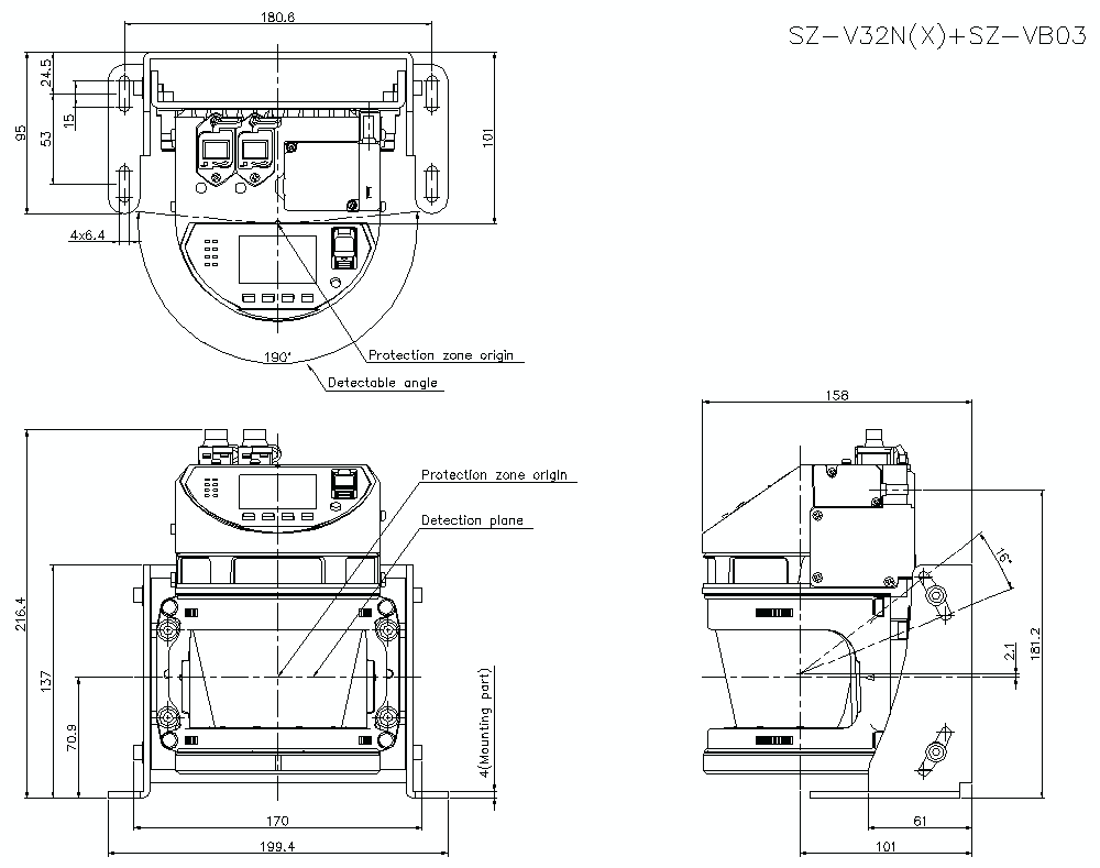
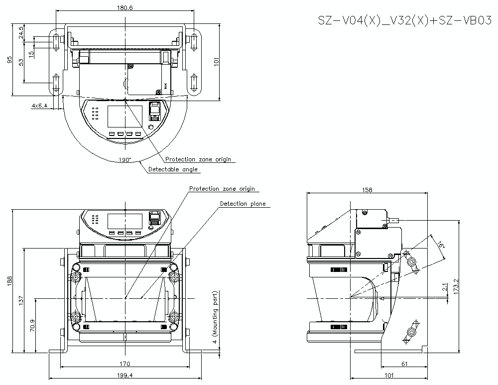
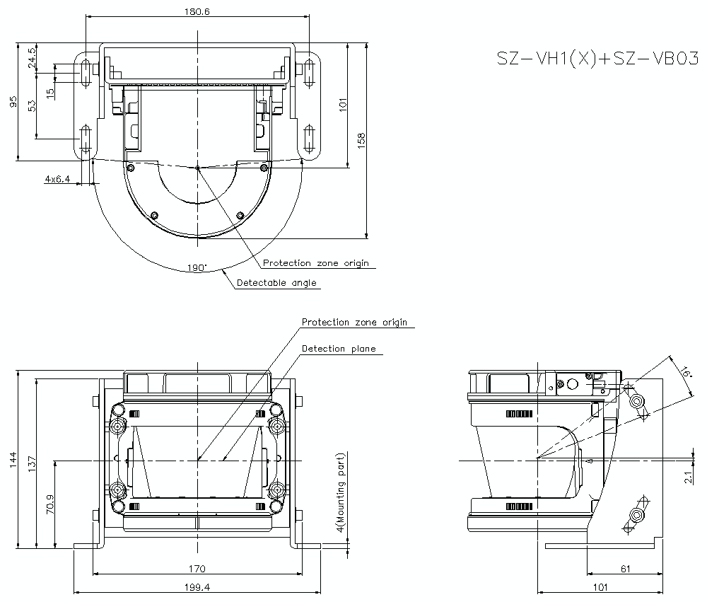
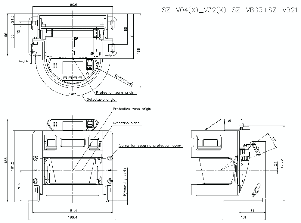
外形寸法図

  • 文字が読みにくい場合は、CADもしくはマニュアルをご確認ください。
SZ-V32N/X/VB03 Dimension
SZV04-32/B03/B21 Dimension
SZV04-V32/X/VB03 Dimension
SZV32N-VB03/B21 Dimension
SZVH1-VH1X/VB03 Dimension
SZVH1-X/VB03/21 Dimension