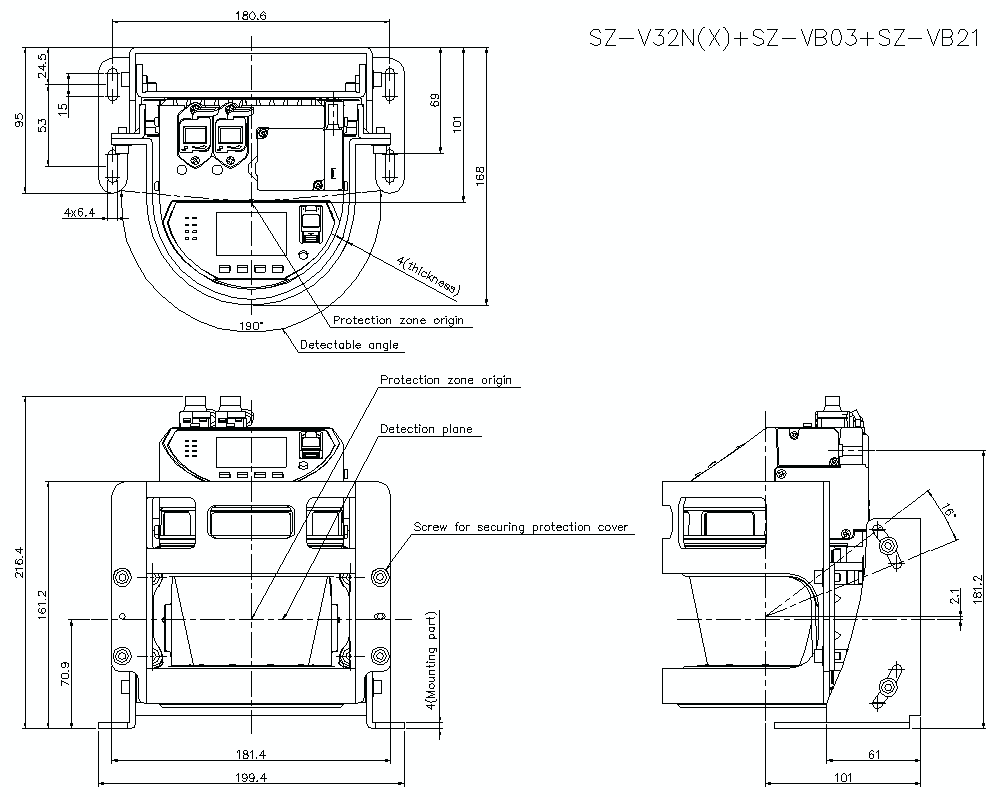
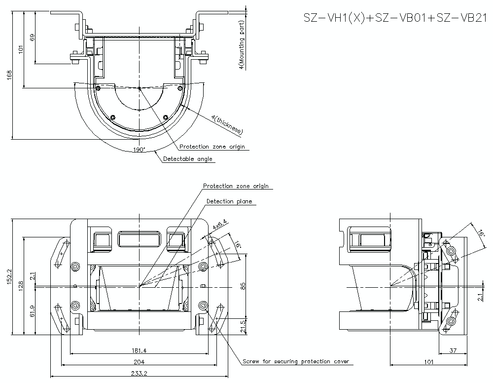
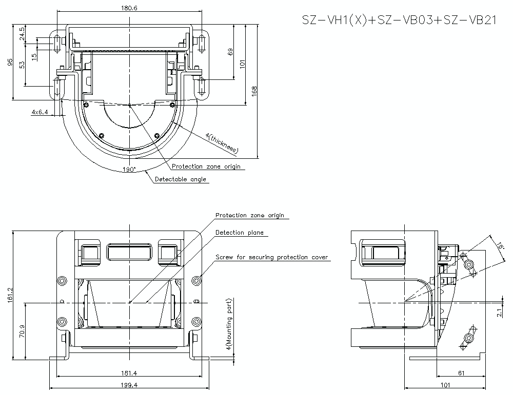
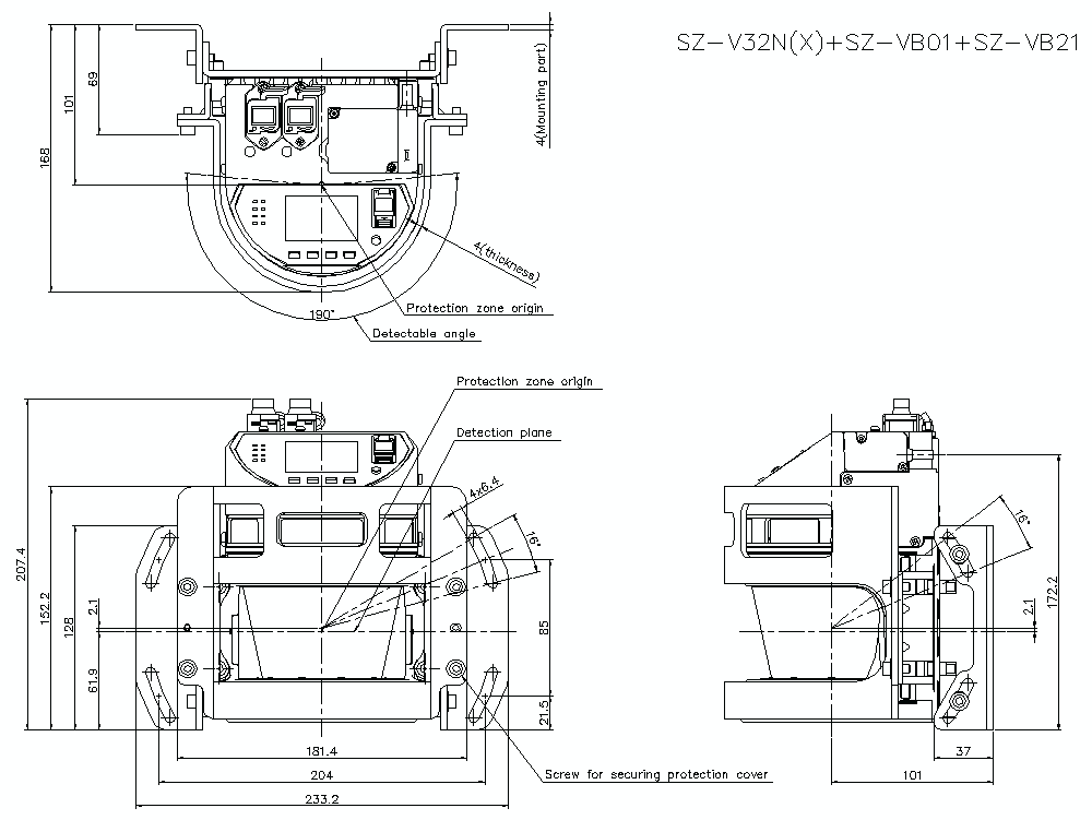
外形寸法図

  • 文字が読みにくい場合は、CADもしくはマニュアルをご確認ください。
SZ-V32N/X/VB21 Dimension
SZV04-V32/X/VB21 Dimension
SZV32N-VB01/B21 Dimension
SZV32N-VB02/B21 Dimension
SZV32N-VB03/B21 Dimension
SZVH1-X/VB01/21 Dimension
SZVH1-X/VB02/21 Dimension
SZVH1-X/VB03/21 Dimension
SZVH1-X/VB21 Dimension