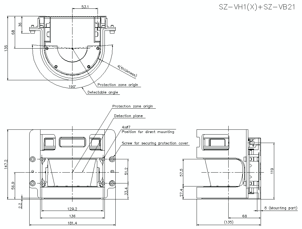
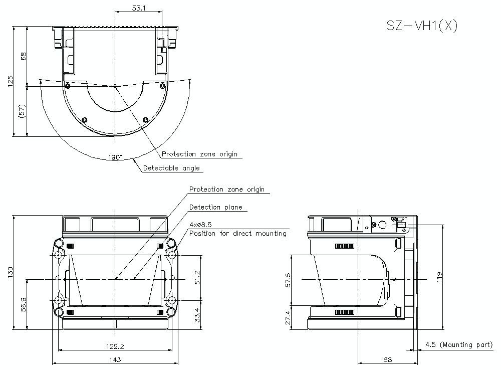
外形寸法図

  • 文字が読みにくい場合は、CADもしくはマニュアルをご確認ください。
SZ-VH1/VH1X Dimension
SZVH1-X/VB21 Dimension