入出力回路図_接続図

  • 文字が読みにくい場合は、CADもしくはマニュアルをご確認ください。

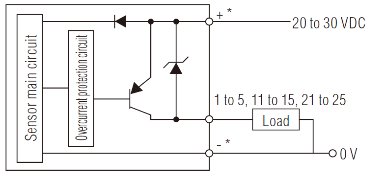
大型アンプ出力回路 GT2-100P/GT2-E3P(ピン番号1~5、11~15、21~25)

※ +/ー端子は、GT2-100Pのみにあります。  GT2-E3Pにはありません。
GT2-100P IO circuit

大型アンプ入力回路 GT2-100P/GT2-E3P(ピン番号6~10、16~20、26~30)

※ +端子は、GT2-100Pのみにあります。  GT2-E3Pにはありません。
GT2-100P IO circuit