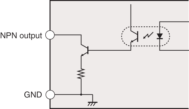
入出力回路図_接続図

  • 文字が読みにくい場合は、CADもしくはマニュアルをご確認ください。
RD-50E IO circuit
RD-50E IO circuit
RD-50E IO circuit
RD-50E IO circuit
RD-50E IO circuit