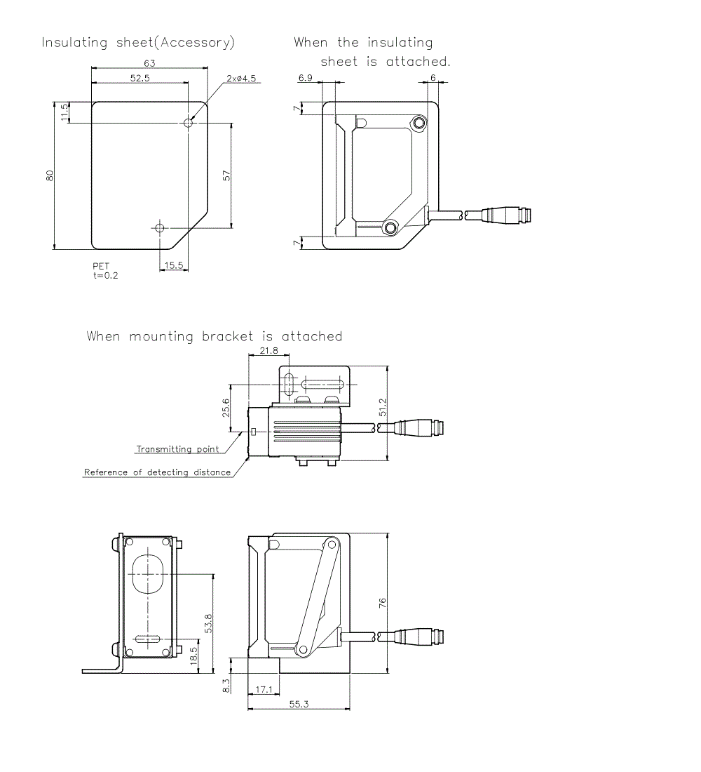
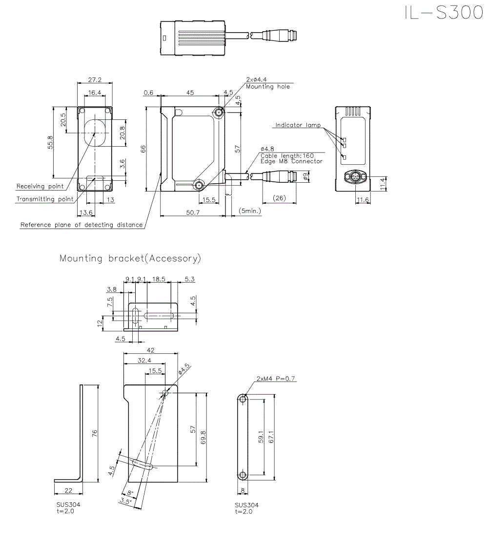
外形寸法図

  • 文字が読みにくい場合は、CADもしくはマニュアルをご確認ください。
IL-S300 Dimension 01
IL-S300 Dimension 02