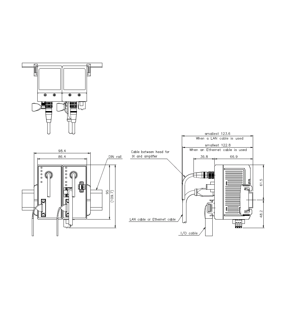
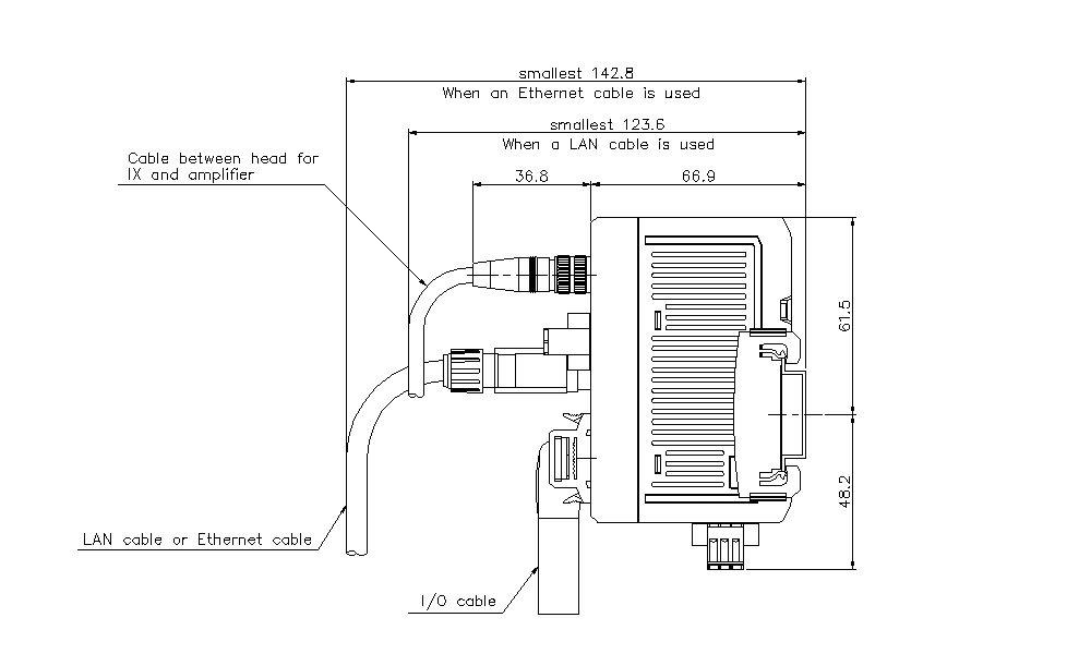
外形寸法図

  • 文字が読みにくい場合は、CADもしくはマニュアルをご確認ください。
IX-1000/1050_01 Dimension
IX-1000/1050_02 Dimension
IX-1050 Dimension