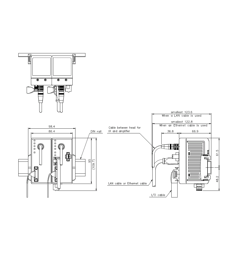
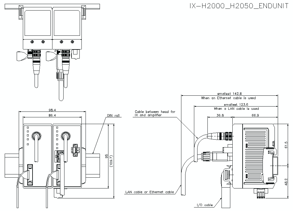
外形寸法図

  • 文字が読みにくい場合は、CADもしくはマニュアルをご確認ください。
IX-X_AMP Dimension
IX-X_AMP Dimension