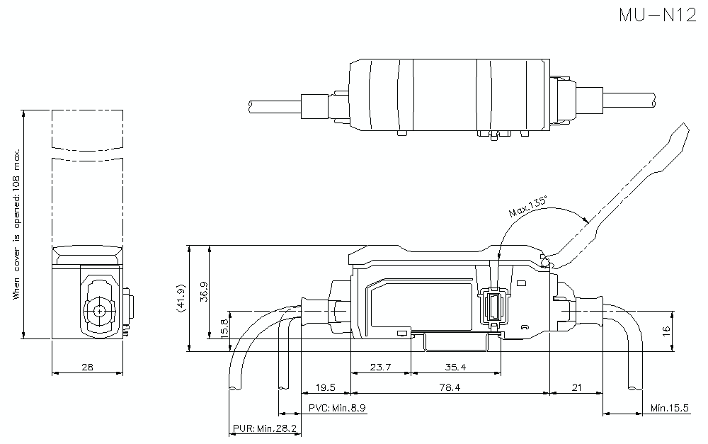
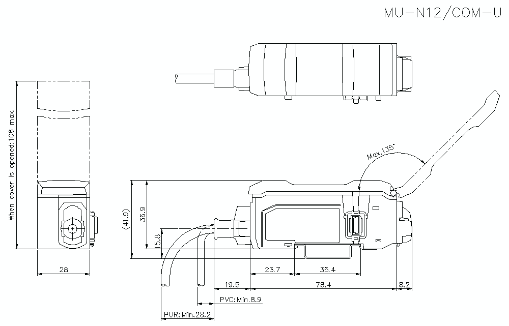
外形寸法図

  • 文字が読みにくい場合は、CADもしくはマニュアルをご確認ください。
MU-N12/NU Dimension
MU-N12 Dimension