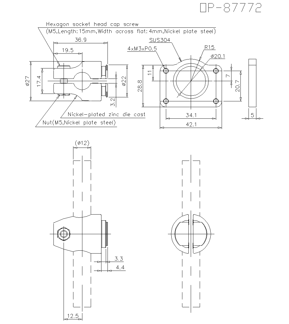
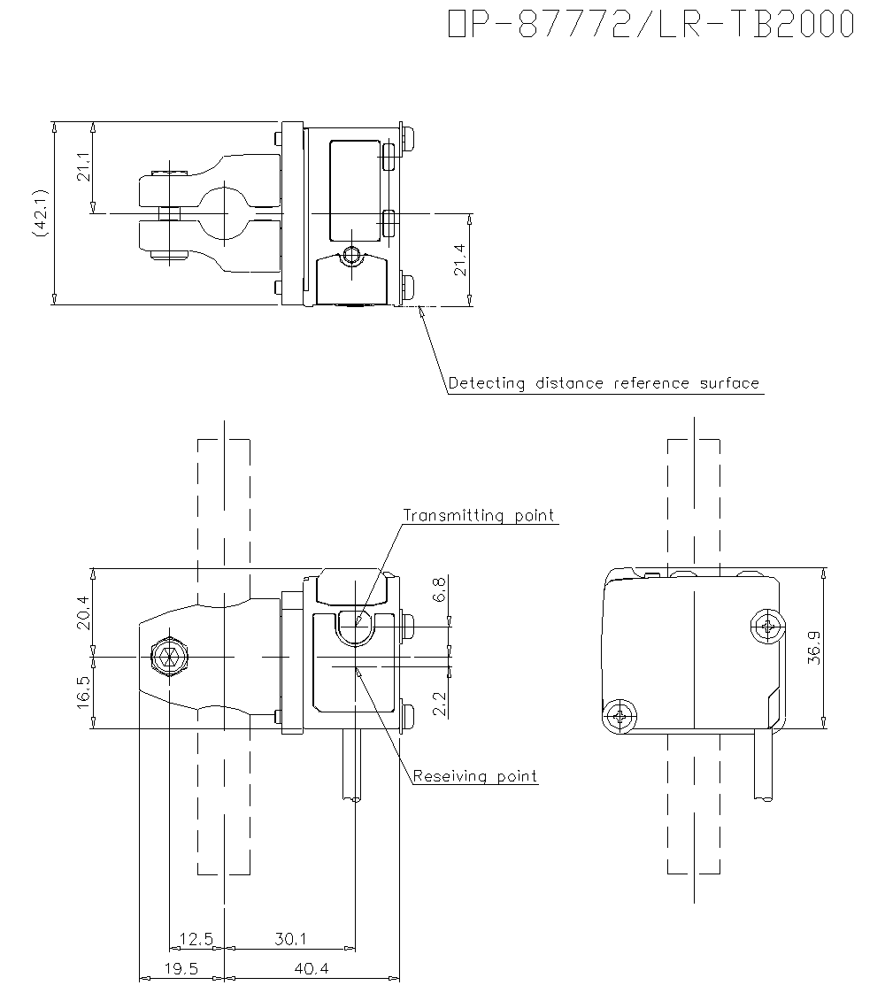
外形寸法図

  • 文字が読みにくい場合は、CADもしくはマニュアルをご確認ください。

op_87772_dimension_01.gif

OP-87772 Dimension

op_87772_lr_tb2000_dimension_01.gif

OP-87772/LR-TB2000 Dimension

op_87772_op_87775_lr_tb2000_dimension_01.gif

OP-87772/OP-87775/LR-TB2000 Dimension

op_87775_op_87772_dimension_01.gif

OP-87775/OP/87772 Dimension