外形寸法図

  • 文字が読みにくい場合は、CADもしくはマニュアルをご確認ください。
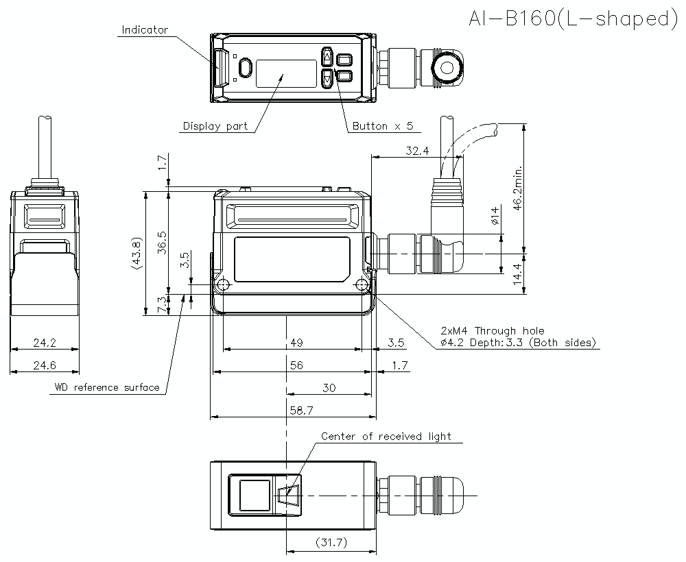
AI-B160(L) Dimension
AI-B160 Dimension
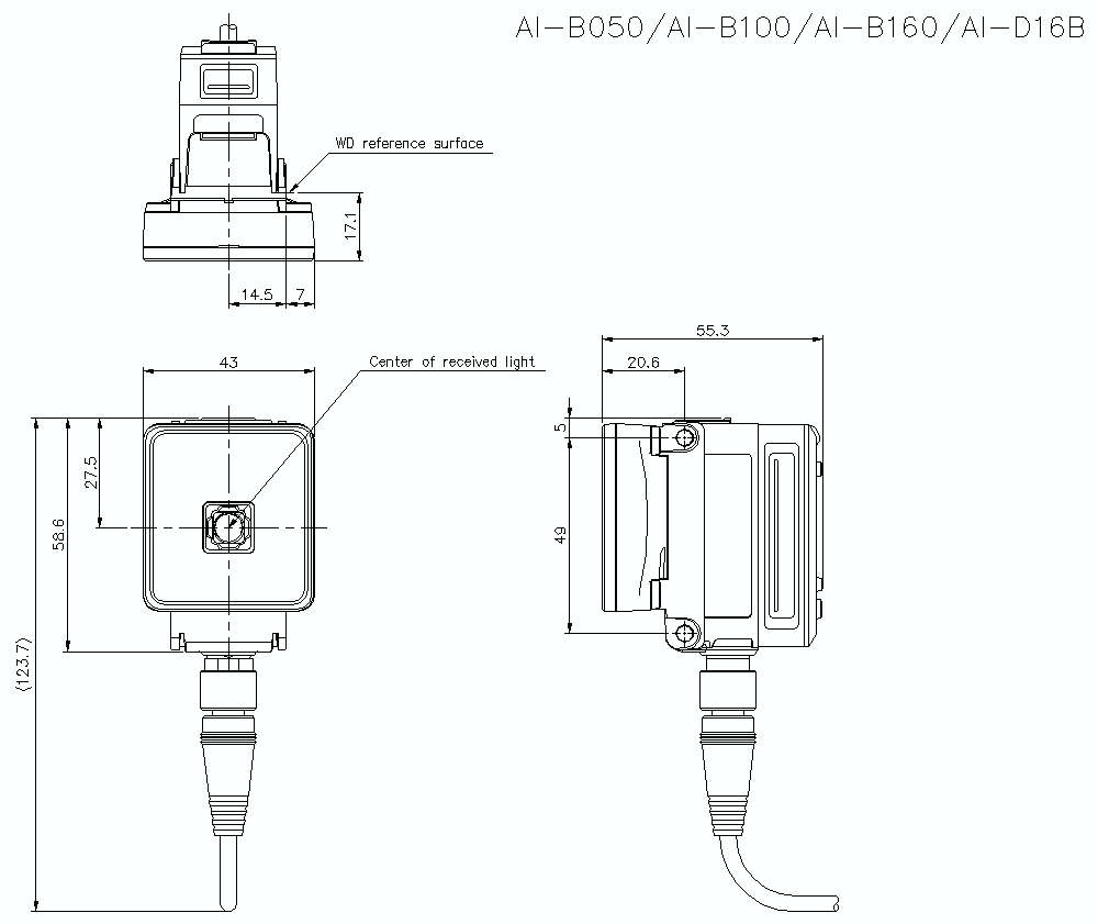
AIB050-160/D16B Dimension
AIB100-160/D32B Dimension
AIB160-OP88114 Dimension
AIB160-OP88115 Dimension
AIB160-OP88116 Dimension
AIB-D16B/88114 Dimension
AIB-D16B/88115 Dimension
AIB-D16B/88116 Dimension
AIB-D32B/88114 Dimension
AIB-D32B/88115 Dimension
AIB-D32B/88116 Dimension