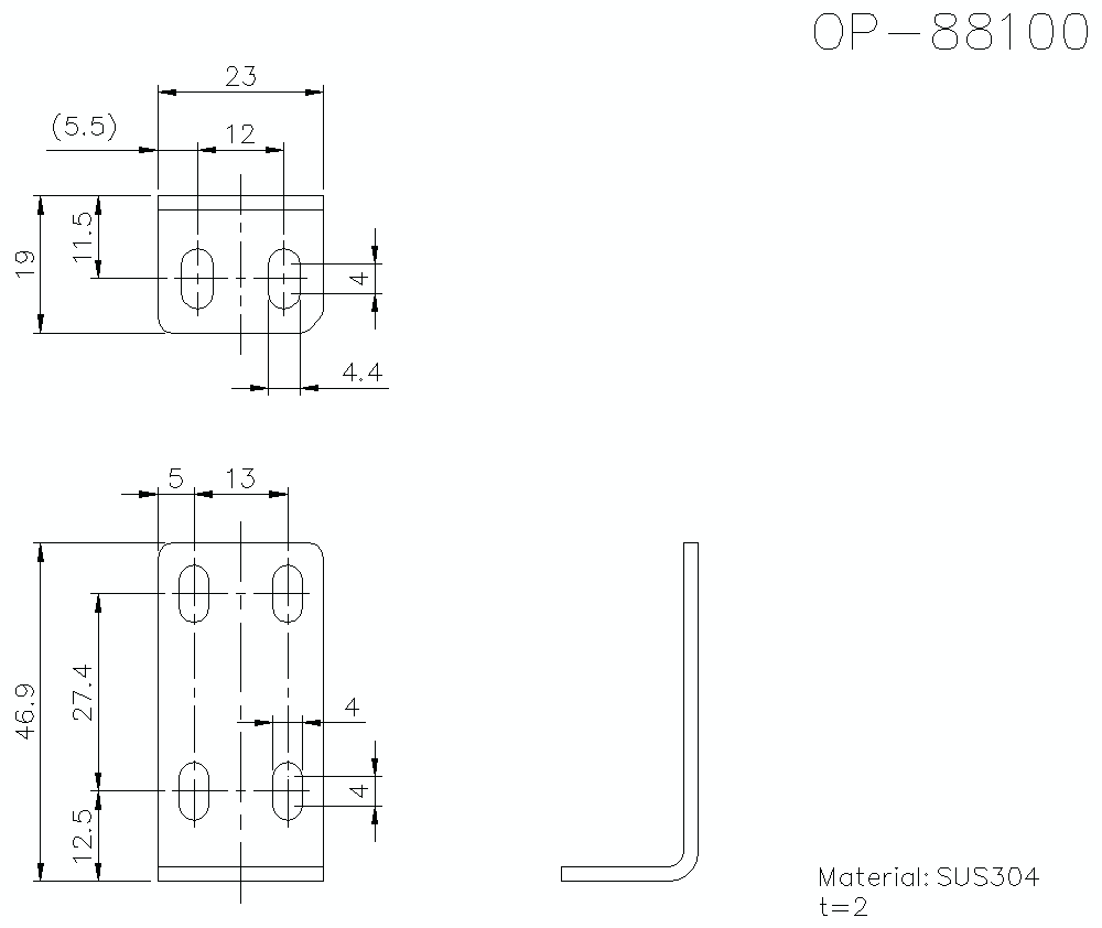
外形寸法図

  • 文字が読みにくい場合は、CADもしくはマニュアルをご確認ください。
AIH010-020/88100 Dimension
OP-88100 Dimension