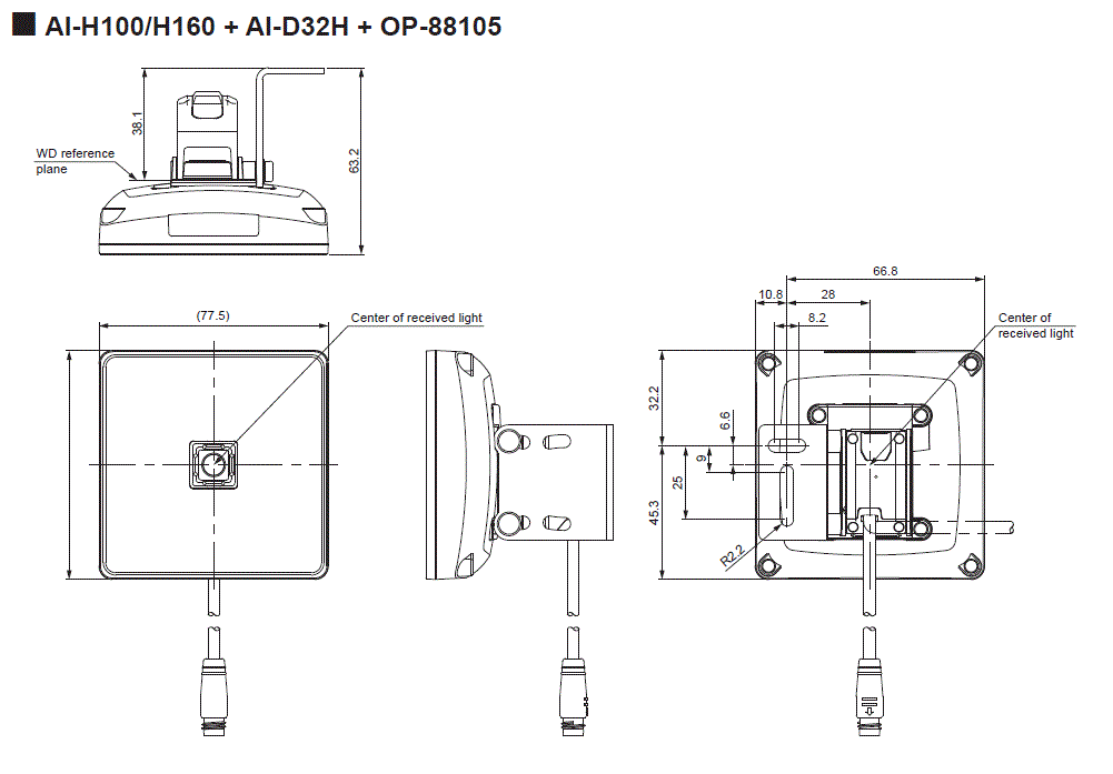
外形寸法図

  • 文字が読みにくい場合は、CADもしくはマニュアルをご確認ください。
AIH050-100/88105 Dimension
AIH160-OP88105 Dimension
AIH-D16H/88105 Dimension
AIH-D32H/OP-88105 Dimension
OP-88105 Dimension