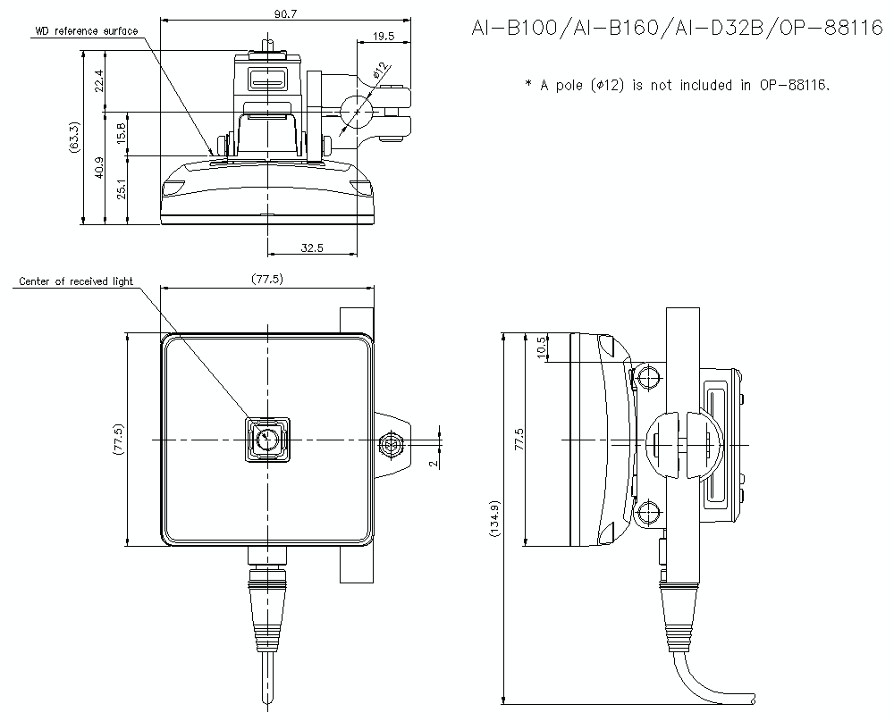
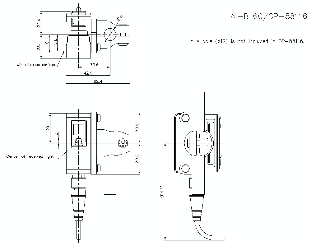
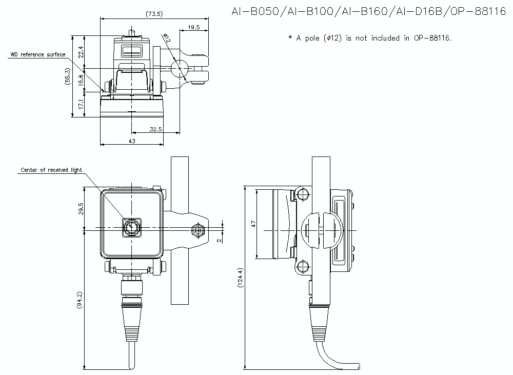
外形寸法図

  • 文字が読みにくい場合は、CADもしくはマニュアルをご確認ください。
AIB050-100/88116 Dimension
AIB160-OP88116 Dimension
AIB-D16B/88116 Dimension
AIB-D32B/88116 Dimension
OP-88116 Dimension