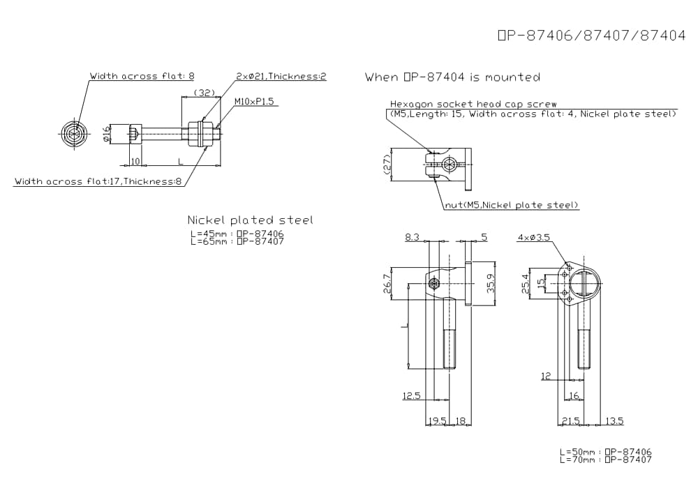
外形寸法図

  • 文字が読みにくい場合は、CADもしくはマニュアルをご確認ください。
OP-87404 Dimension
OP-87404 Dimension