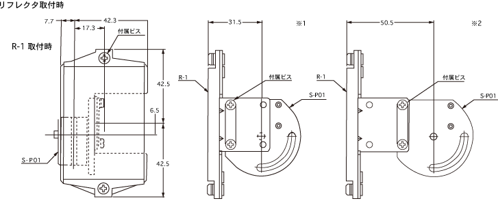
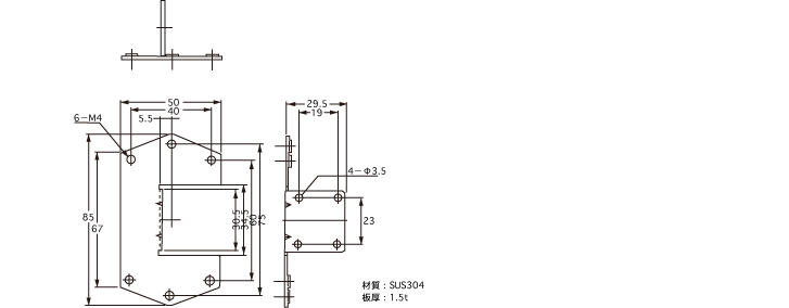
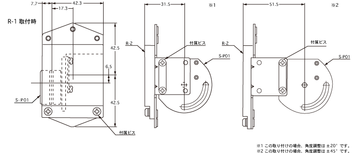
外形寸法図

  • 文字が読みにくい場合は、CADもしくはマニュアルをご確認ください。
OP-21642_01 Dimension
OP-21642_02 Dimension
OP-21642_03 Dimension