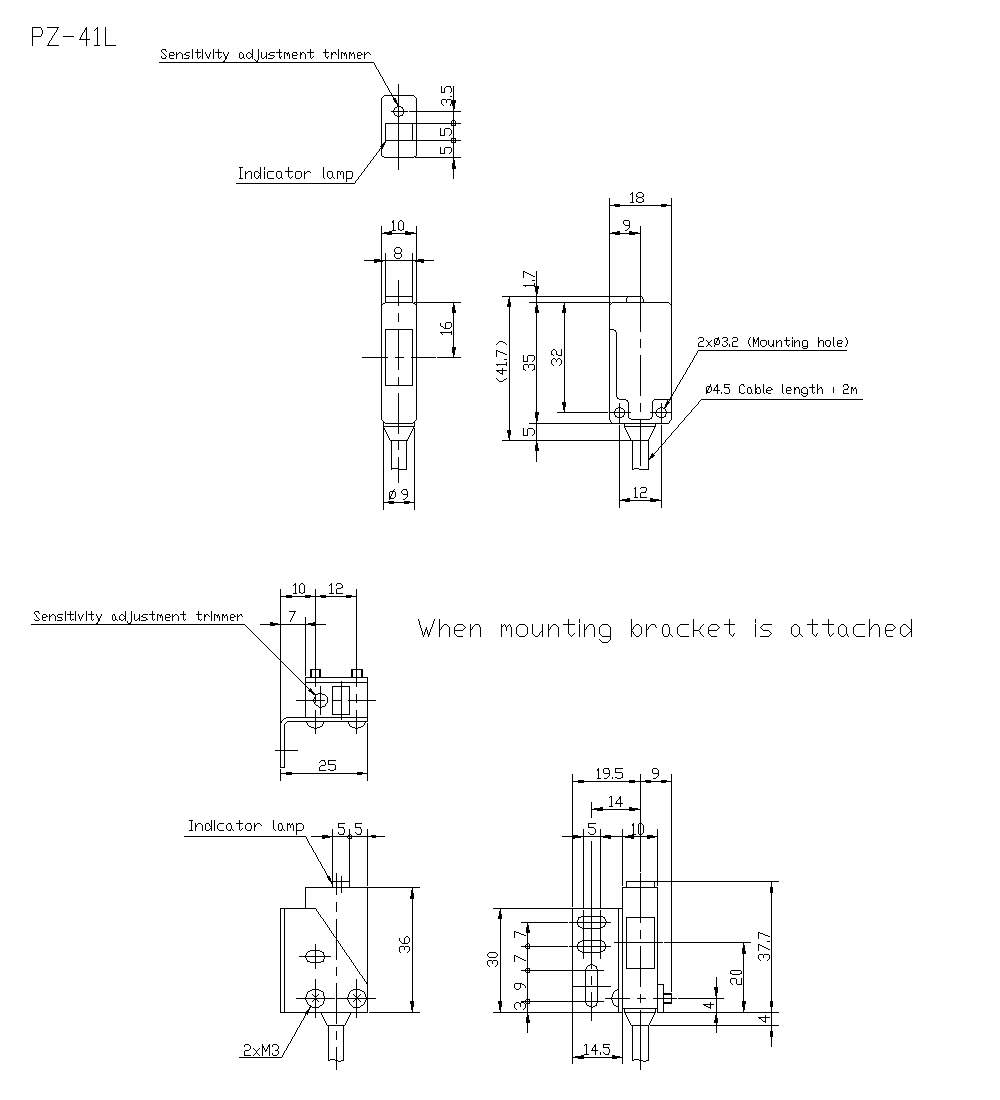
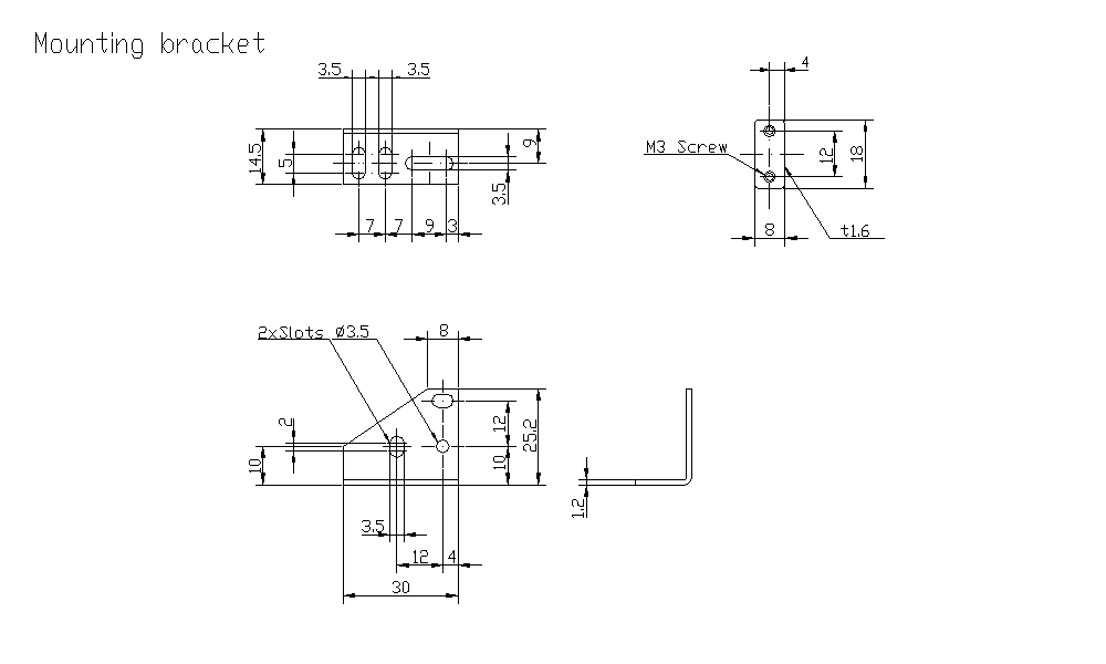
外形寸法図

  • 文字が読みにくい場合は、CADもしくはマニュアルをご確認ください。
PZ-41L/41LP_01 Dimension
PZ-41L/41LP_02 Dimension