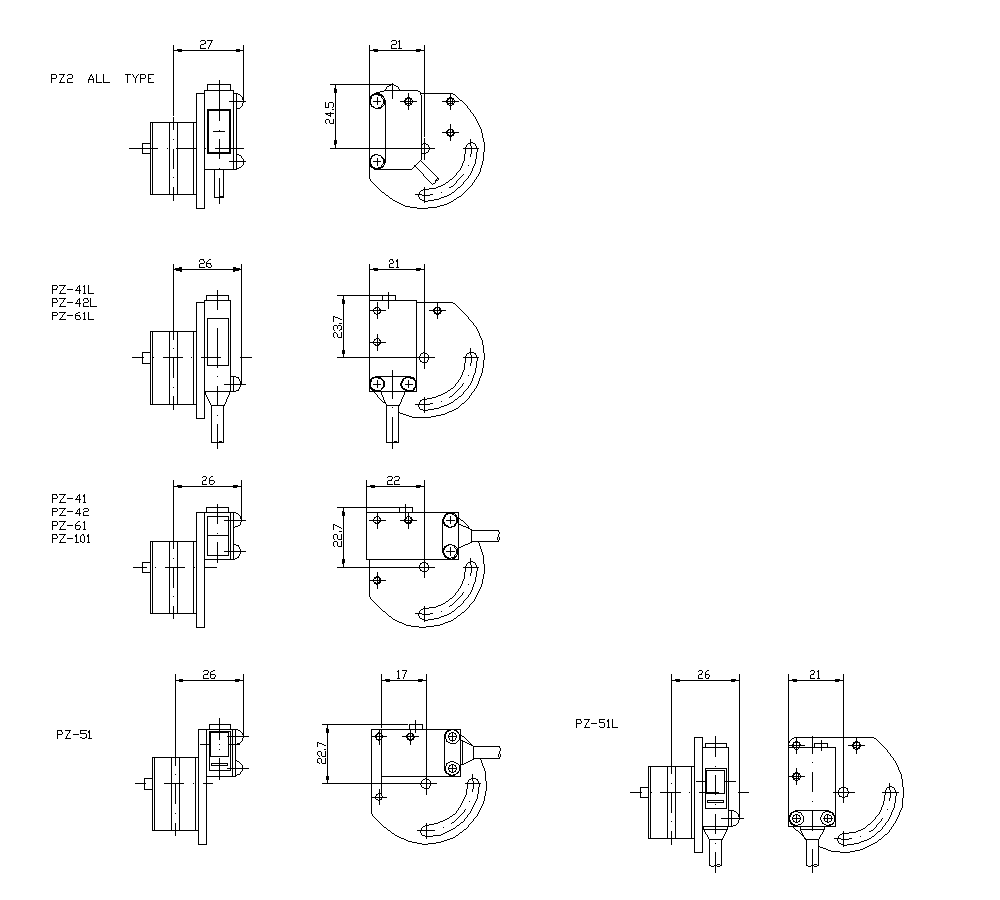
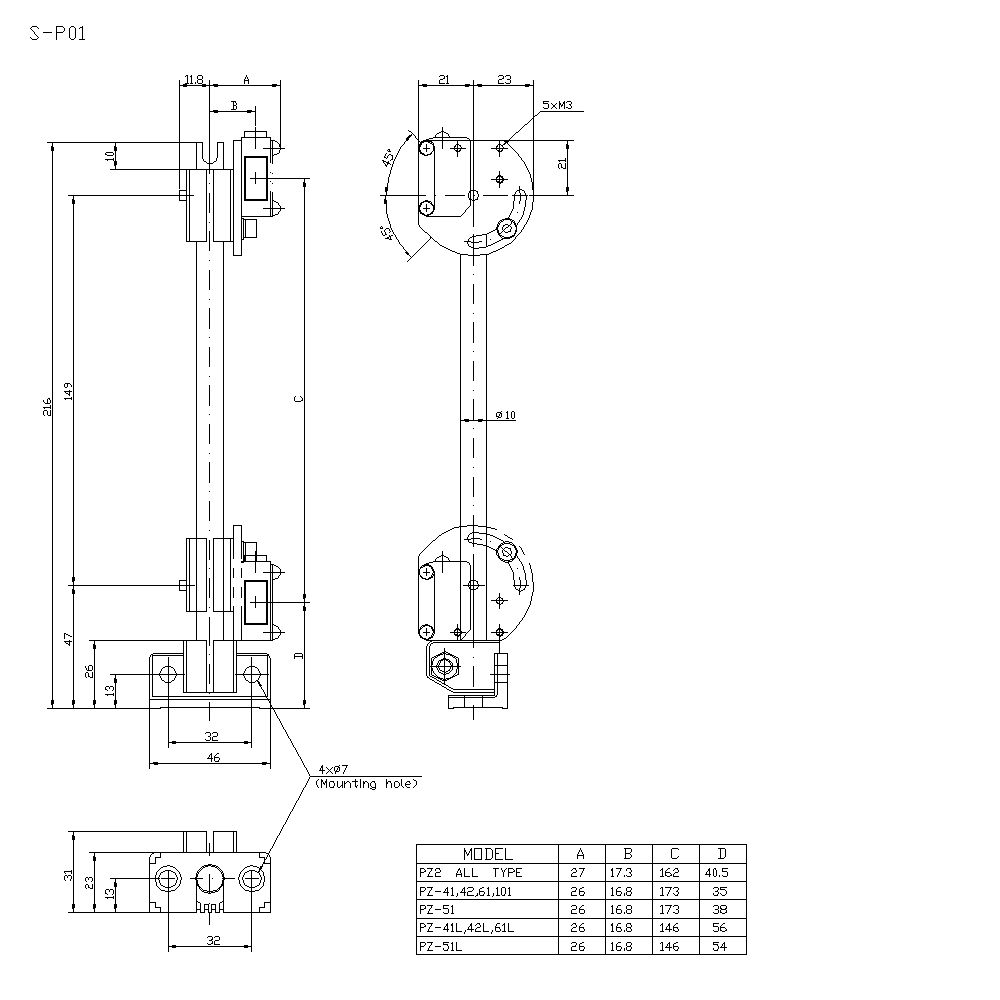
外形寸法図

  • 文字が読みにくい場合は、CADもしくはマニュアルをご確認ください。
S-P01_01 Dimension
S-P01_02 Dimension