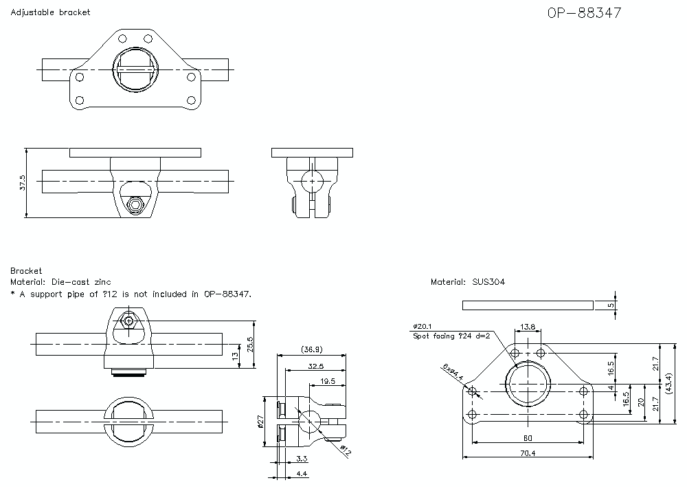
外形寸法図

  • 文字が読みにくい場合は、CADもしくはマニュアルをご確認ください。
IX-HEAD/OP/88347 Dimension
OP-88347 Dimension
IX-360W/OP-88347