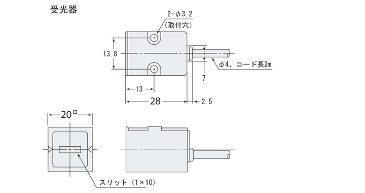
外形寸法図

  • 文字が読みにくい場合は、CADもしくはマニュアルをご確認ください。
LX2-12W_01 Dimension
LX2-12W_02 Dimension
LX2-12W_03 Dimension