外形寸法図

  • 文字が読みにくい場合は、CADもしくはマニュアルをご確認ください。
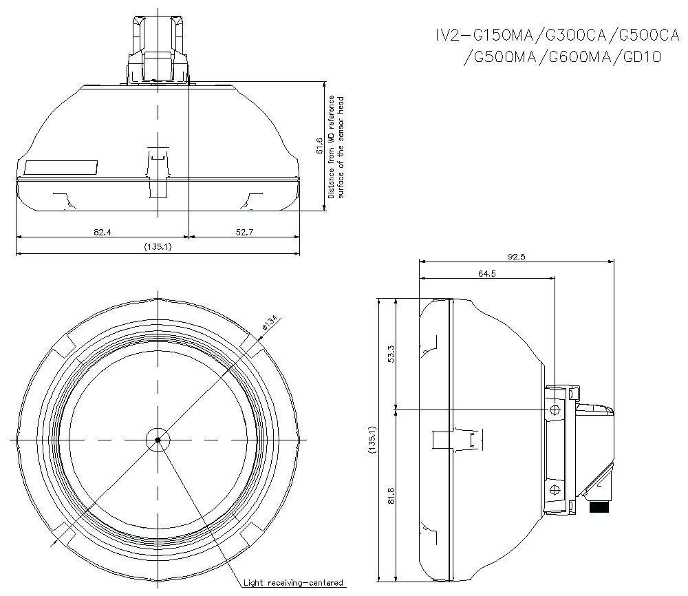
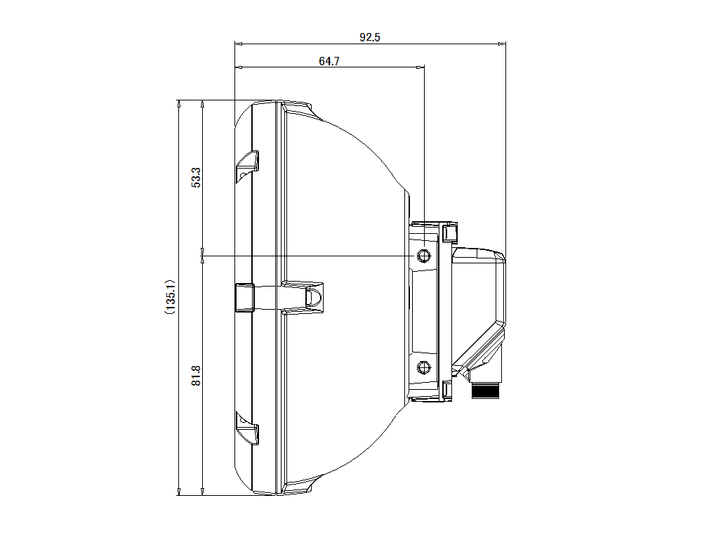
IV2-G150/G300/G500/G600/GD10 Dimension
IV2-G150/G300/G500/G600/GD10/OP-87908 Dimension
IV2-G150/G300/G500/G600/GD10/OP-87908_02 Dimension
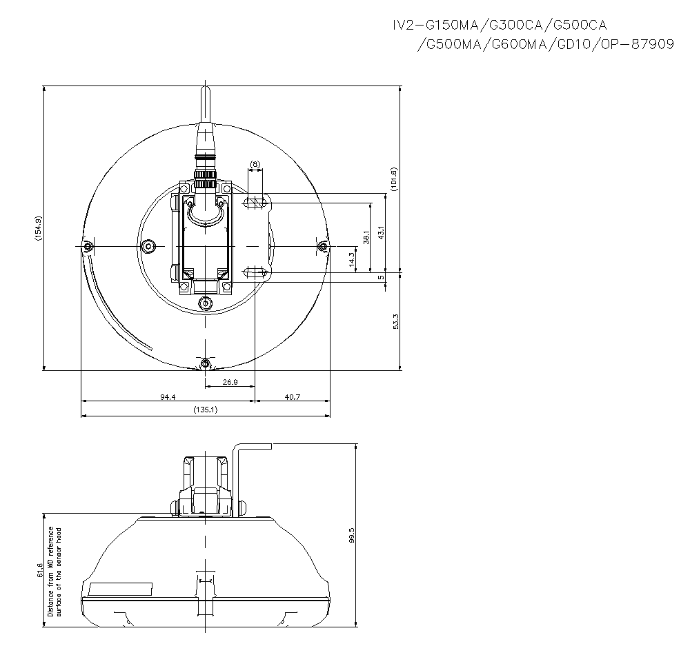
IV2-G150/G300/G500/G600/GD10/OP-87909 Dimension
IV2-G150/G300/G500/G600/GD10/OP-87909_02 Dimension
IV2-G150/G300/G500/G600/GD10/OP-87910 Dimension
IV2-G150/G300/G500/G600/GD10/OP-87910_02 Dimension
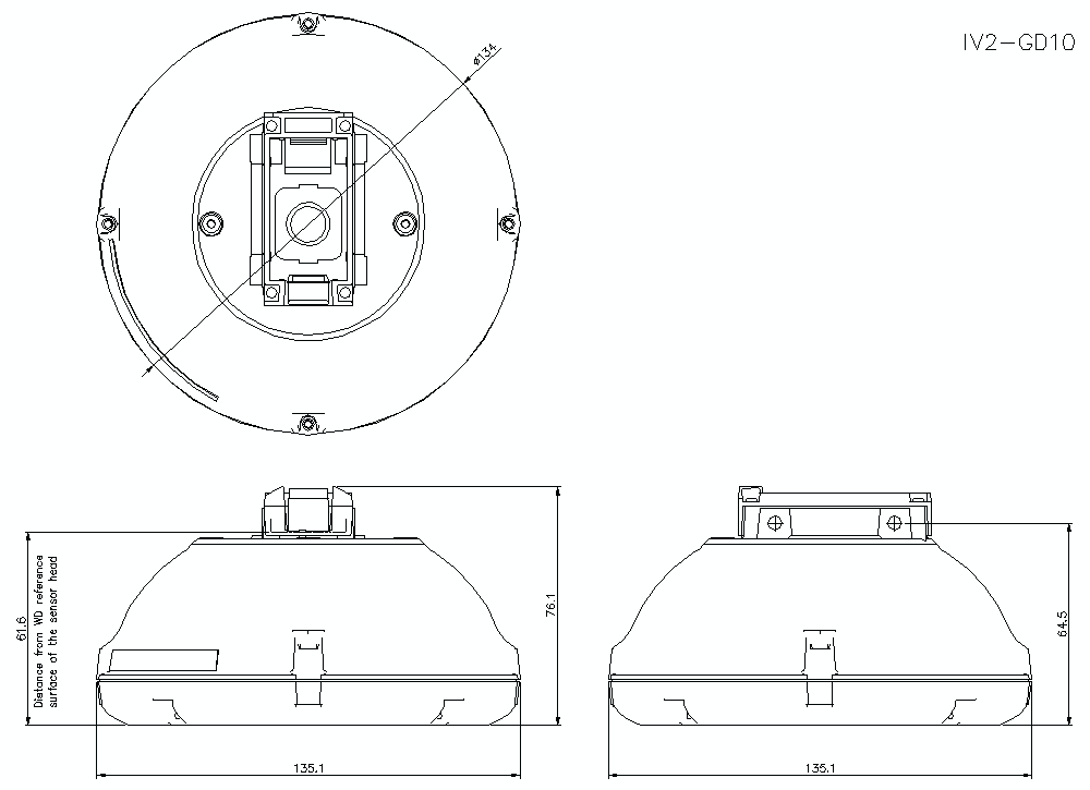
IV2-GD10 Dimension
IV3-G/GD10 Dimension 01
IV3-G/GD10 Dimension 02
IV3-G/GD10 Dimension 03
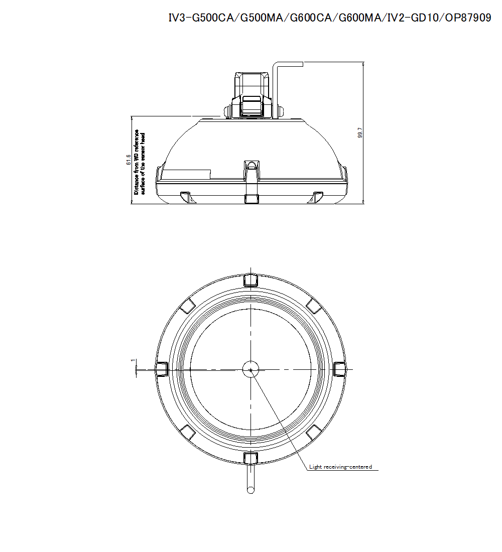
IV3-G/GD10/OP-87909 Dimension 01
IV3-G/GD10/OP-87909 Dimension 02
IV3-G/GD10/OP-87910 Dimension 01
IV3-G/GD10/OP-87910 Dimension 02
IV3-G/GD10/OP-87910 Dimension 03
IV3-G/GD10/OP-87908 Dimension
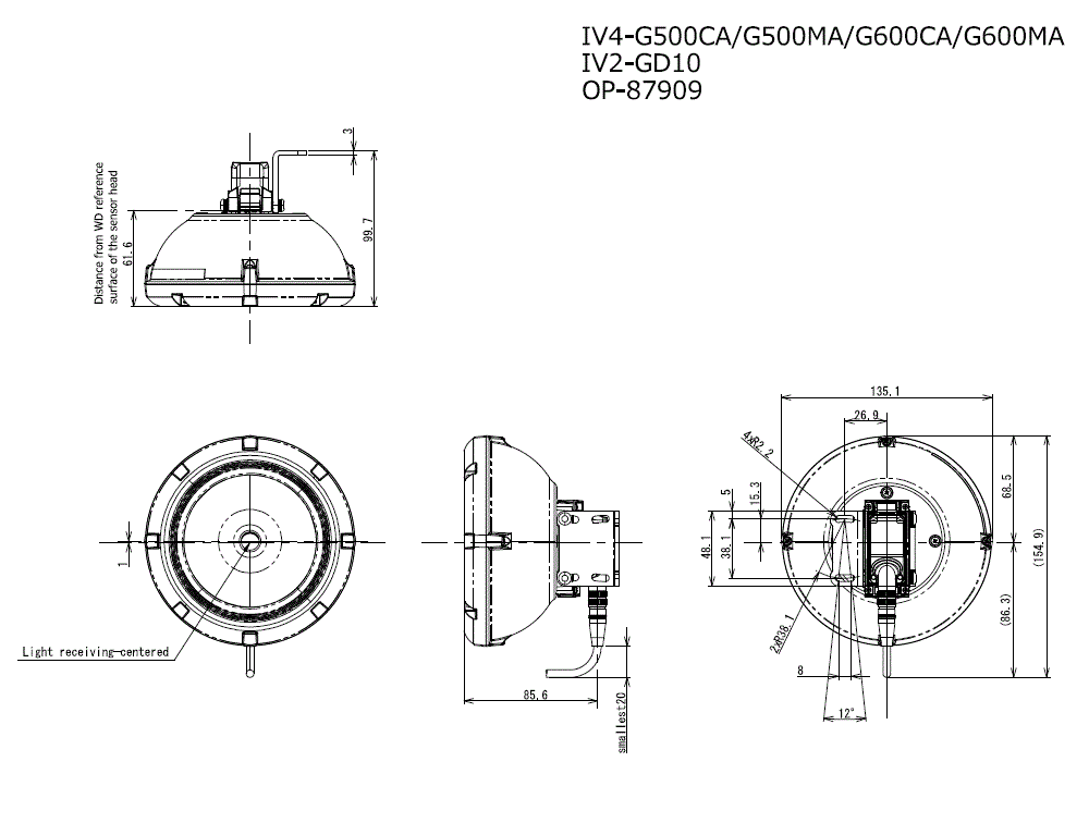
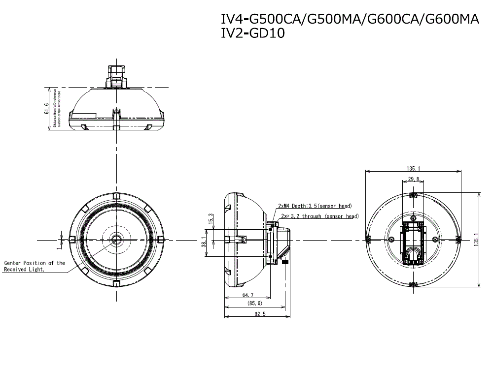
IV4-G500CA/G500MA/G600CA/G600MA/IV2-GD10 Dimension
IV4-G500CA/G500MA/G600CA/G600MA/IV2-GD10/OP-87908 Dimension
IV4-G500CA/G500MA/G600CA/G600MA/IV2-GD10/OP-87909 Dimension
IV4-G500CA/G500MA/G600CA/G600MA/IV2-GD10/OP-87910 Dimension